ABLIC S-19630A CMOS Operational Amplifier
ABLIC S-19630A CMOS Operational Amplifier is an automotive, 125°C operation, low input, offset voltage, CMOS operational amplifier in a small package. The zero-drift operational amplifier features Rail-to-Rail input and output and utilizes chopper-stabilizing techniques to deliver low input offset voltage. The ABLIC S-19630AB Amp provides dual operation (2 circuits), which is suitable for applications requiring less offset voltage.Features
- VIO = +50μV max. (Ta = −40°C to +125°C) Low input offset voltage
- ΔVIO/ΔTa ±25nV/°C typ. (VDD = 30V, Ta = −40°C to +125°C) Low input offset voltage drift
- VDD = 4.0V to 36.0V Operation power supply voltage range
- IDD = 250μA typ. Low current consumption (Per circuit)
- VNOISE_pp = 0.8μVpp typ. (f = 0.1Hz to 10Hz) Low input noise voltage
- VNOISE = 25nV/√Hz typ. (f = 1kHz) Low input noise voltage density
- Built-in output current limit circuit, overcurrent limit when output pin is short-circuited
- Internal phase compensation with no external parts required
- Rail-to-Rail input and output
- Ta = −40°C to +125°C Operation temperature range
- Lead-free (Sn 100%), halogen-free
- AEC-Q100 qualified
Applications
- High-accuracy current detection
- Various sensor interfaces
- Strain gauge amplifier
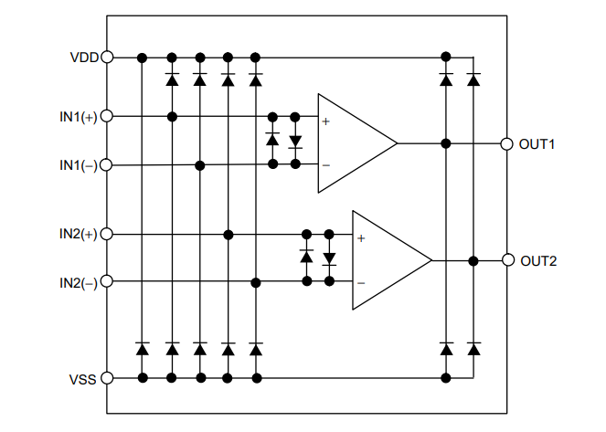
Block Diagram
Pin Assignments
Infographic
Publicerad: 2022-08-11
| Uppdaterad: 2022-08-12
