Altran Magnetics ASR-SD Single-Phase AC Output Solid-State Relays
Altran Magnetics ASR-SD Single-Phase AC Output Solid-State Relays (SSRs) feature zero crossing or random-on switching. The Altran Magnetics ASR-SD series offers a 3A or 5A load current rating at 24VAC to 530VAC and 4000VACrms opto-isolation. These single-phase AC output SSRs provide 3A TRIAC or 5A SCR output and are RoHS compliant.
Features
- Zero crossing or random-on switching
- 3A or 5A current rating at 24VAC to 530VAC
- 4VDC to 15VDC, 15VDC to 32VDC, and 4VDC to 32VDC control voltage
- 340VAC, 380VAC, or 480VAC load voltage
- 4000VACrms opto-isolation
- 3A TRIAC output or 5A SCR output
- RoHS compliant
Applications
- Industrial automation
- HVAC and appliance control
- Lighting systems
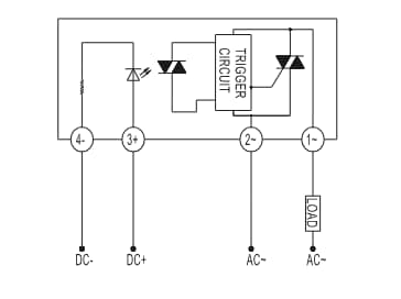
Wiring Diagram
Publicerad: 2025-12-02
| Uppdaterad: 2026-01-15
