Analog Devices Inc. AD8232 & AD8233 Heart Rate Monitor Front End

Analog Devices Inc. AD8232 and AD8233 Heart Rate Monitor Front End is an integrated signal conditioning block for ECG and other biopotential measurement applications. It is designed to extract, amplify, and filter small biopotential signals in the presence of noisy conditions, such as those created by motion or remote electrode placement. This design allows for an ultralow power analog-to-digital converter (ADC) or an embedded microcontroller to acquire the output signal easily. 

The AD8232 and AD8233 can implement a two-pole high-pass filter for eliminating motion artifacts and the electrode half-cell potential. This filter is tightly coupled with the instrumentation architecture of the amplifier to allow both large gain and high-pass filtering in a single stage, thereby saving space and cost.

An uncommitted operational amplifier enables the AD8232 and AD8233 to create a three-pole low-pass filter to remove additional noise. The user can select the frequency cutoff of all filters to suit different types of applications. To improve common-mode rejection of the line frequencies in the system and other undesired interferences, the AD8232 includes an amplifier for driven lead applications, such as right leg drive (RLD). The AD8232 and AD8233 includes a fast restore function that reduces the duration of otherwise long settling tails of the high-pass filters. After an abrupt signal change that rails the amplifier (such as a leads off condition), the AD8232 and AD8233 automatically adjusts to a higher filter cutoff. This feature allows the AD8232 and AD8233 to recover quickly, and therefore, to take valid measurements soon after connecting the electrodes to the subject.

Features

  • Fully integrated single-lead ECG front end
  • 170μA (typical) (AD8232), 50μA (typical) (AD8233) Low supply current
  • 80dB (dc to 60Hz) Common-mode rejection ratio
  • Two or three electrode configurations
  • High signal gain (G = 100) with dc blocking capabilities
  • 2-pole adjustable high-pass filter
  • Accepts up to ±300mV of half cell potential
  • Fast restore feature improves filter settling
  • Uncommitted op amp
  • 8kV HBM ESD rating
  • Shutdown pin
  • 3-pole adjustable low-pass filter with adjustable gain
  • Leads off detection: ac or dc options
  • Integrated right leg drive (RLD) amplifier
  • Single-supply operation
    • 2.0V to 3.5V (AD8232)
    • 0.7V to 3.5V (AD8233)
  • Integrated reference buffer generates virtual ground
  • Rail-to-rail output
  • Internal RFI filter
  • 20-lead 4mm × 4mm LFCSP package (AD8232)
  • 20-lead 2mm × 1.7mm WLCSP package (AD8233)

Applications

  • Fitness and activity heart rate monitors
  • Portable ECG
  • Remote health monitors
  • Gaming peripherals
  • Biopotential signal acquisition

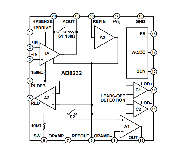
Block Diagram

Block Diagram - Analog Devices Inc. AD8232 & AD8233 Heart Rate Monitor Front End

Additional Resources

Condition-Based Monitoring of the Human Body

With advances in technology, vital sign monitoring will become increasingly common in various industries and throughout our daily lives. Whether used for treatment or prevention, such health-related solutions call for reliable and robust technology. 
Learn More

Publicerad: 2013-07-01 | Uppdaterad: 2025-02-18