Analog Devices Inc. AD8411ARx Evaluation Boards
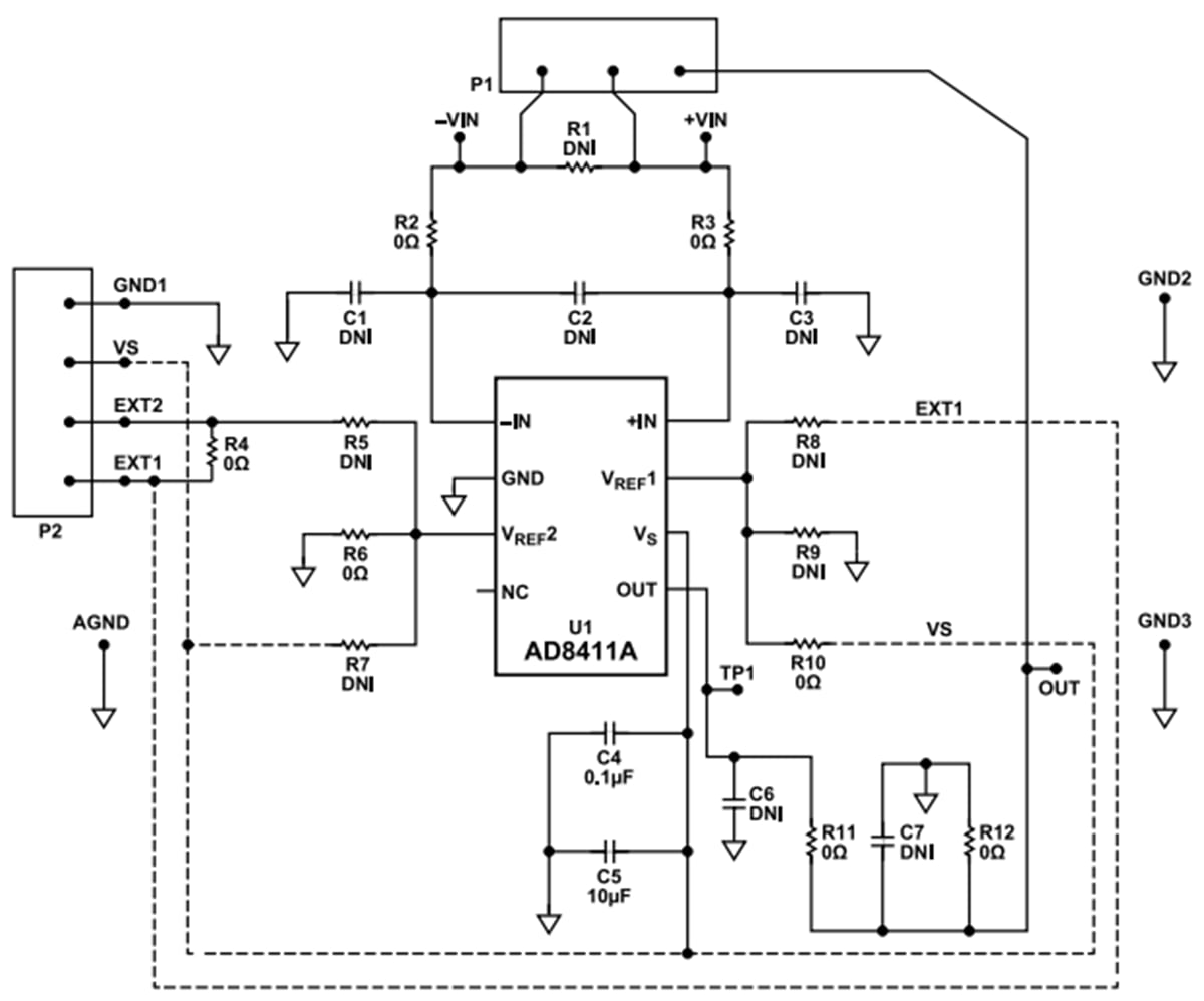
Analog Devices AD8411ARx Evaluation Boards are used to evaluate the capabilities of the AD8411A current-sense amplifier. The Analog Devices AD8411AR-EVALZ and AD8411ARM-EVALZ have a user-friendly design and allow for effortless configuration in various modes of operation. The boards adapt to a multitude of load requirements and offer unmatched flexibility by integrating a shunt resistor (R1) of up to 2818 standard size. The AD8411AR-EVALZ accommodates the AD8411A in a smalloutline integrated circuit (SOIC) while the AD8411ARM-EVALZ accommodates the AD8411A in a mini small outline package (MSOP).Features
- Enables quick breadboarding and prototyping
- Easily configurable for unidirectional or bidirectional operation
- Includes provision for current-sense shunt resistor
- Easy connection to test equipment
- Includes provisions for an input filter and an output filter
- Decoupled supply line
SCHEMATIC
Overview
Publicerad: 2023-06-28
| Uppdaterad: 2023-08-25
