Analog Devices Inc. AD8417 Bidirectional Current Sense Amplifiers
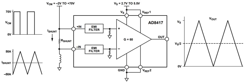
Analog Devices Inc. AD8417 Bidirectional Current Sense Amplifiers feature a 60V/V initial gain and a maximum ±0.3% gain error across the entire temperature range (-40°C to +150°C). The Analog Devices Inc. AD8417 amplifiers' buffered output voltage interfaces seamlessly with typical converters. With excellent input common-mode rejection from -2V to +70V, the devices are ideal for bidirectional current measurements in automotive and industrial applications like motor control, power management, and solenoid control. The AD8417WH variant maintains breakthrough performance even in extreme temperatures, featuring a zero-drift core for a typical offset drift of 0.1µV/°C.Features
- Typical 0.1µV/°C offset drift
- Maximum ±400µV voltage offset over the full temperature range
- 2.7V to 5.5V power supply operating range
- EMI filters included
- High common-mode input voltage range
- 2V to +70V continuous
- 3V to +80V survival
- 60V/V initial gain
- Bidirectional operation
- Wide operating temperature range
- AD8417WB (8-lead MSOP, 8-lead SOIC_N, and 10-lead MSOP) and AD8417B (8-lead MSOP): -40°C to +125°C
- AD8417WH (8-lead SOIC_N and 8-lead MSOP): -40°C to +150°C
- Available in 8-lead SOIC_N, 8-lead MSOP, and FMEA-tolerant 10-lead MSOP pinout
- CMRR: 86dB, DC to 10kHz
- AEC-Q100 qualified for automotive applications
Applications
- Motor controls
- Solenoid controls
- Power management
- Low-side current sensing
- Diagnostic protection
Videos
TYPICAL APPLICATION CIRCUIT
Publicerad: 2024-02-26
| Uppdaterad: 2024-06-11
