Analog Devices Inc. AD853x Single-Supply Amplifiers
Analog Devices AD853x Single-Supply Amplifiers are single, dual, and quad rail-to-rail input/output amplifiers featuring 250mA output drive current. These amplifiers' high output current makes them ideal for driving either resistive or capacitive loads. The amplifiers' AC performance works with 3MHz bandwidth, 5V/μs slew rate, and low distortion. They can operate from a 3V single supply as well as a 5V supply. Low input bias currents enable AD853x to be used for integrators, diode amplification, and other applications requiring low input bias current. The supply current is 750μA per amplifier at 5V, allowing low-current applications to control high-current loads. AD853x is capable of driving heavy capacitive loads such as those found in LCDs.Features
- Specified over the extended industrial temperature range (-40°C to +85°C)
- 2.7V to 6V single-supply operation
- ±250mA high output current
- 750μA/amplifier low supply current
- 3MHz wide bandwidth
- 5V/μs slew rate
- No phase reversal
- Low input currents
- Unity gain stable
- Rail-to-rail input and output
- Available packages:
- AD8531: 8-lead SOIC, 5-lead SC70, and 5-lead SOT-23 packages
- AD8532: 8-lead SOIC, 8-lead MSOP, and 8-lead TSSOP surface-mount packages
- AD8534: narrow 14-lead SOIC and 14-lead TSSOP surface-mount packages
Applications
- Computers audio
- Sound ports
- Sound cards
- Set-top boxes
- LCD drivers
- ASIC input or output amplifiers
- Headphone drivers
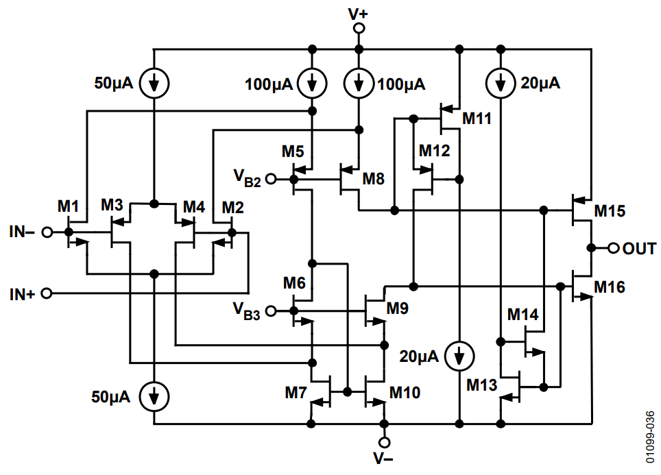
Application Circuit Diagram
Publicerad: 2019-03-06
| Uppdaterad: 2023-08-09
