Analog Devices Inc. ADRV9026 Quad-Channel Wideband RF Transceiver
Analog Devices Inc. ADRV9026 Quad-Channel Wideband RF Transceiver is a highly integrated, agile transceiver offering four independently controlled transmitters. Analog Devices ADRV9026 features dedicated observation receiver inputs for monitoring each transmitter channel. The device also has four independently controlled receivers, integrated synthesizers, and digital signal processing functions. This provides a complete transceiver solution. The device provides the performance demanded by cellular infrastructure applications, like small cell base station radios, macro 3G/4G/5G systems, and massive multiple in/multiple out (MIMO) base stations.Features
- Four differential transmitters
- Four differential receivers
- Two observation receivers with two inputs each
- 650MHz to 6000MHz center frequency
- 200MHz maximum receiver bandwidth
- 200MHz maximum transmitter bandwidth
- 450MHz maximum transmitter synthesis bandwidth
- 450MHz maximum observation receiver bandwidth
- Fully integrated independent fractional-N radio frequency synthesizers
- Fully integrated clock synthesizer
- Multichip phase synchronization for all local oscillators and baseband clocks
- Support for TDD and FDD applications
- 16Gbps JESD204B/JESD204C digital interface
Technical Articles
- 5G Technology Devices for an O-RAN Wireless Solution
Discover a platform that meets the required RF characteristics, cost, and power budgets required to deploy a low-cost, high-performance O-RAN platform. - Simplify Antenna Calibration
The radio frequency (RF) phase-locked loop (PLL) phase synchronization feature available in Analog Devices’ software-defined radios (SDRs) helps in reducing the complexity in antenna calibrations, especially for systems that employ large antenna arrays.
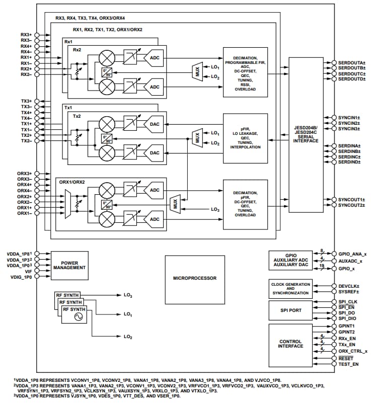
Block Diagram
Publicerad: 2019-12-03
| Uppdaterad: 2024-02-28
