Analog Devices Inc. ADRV9029 Quad RF Transceivers

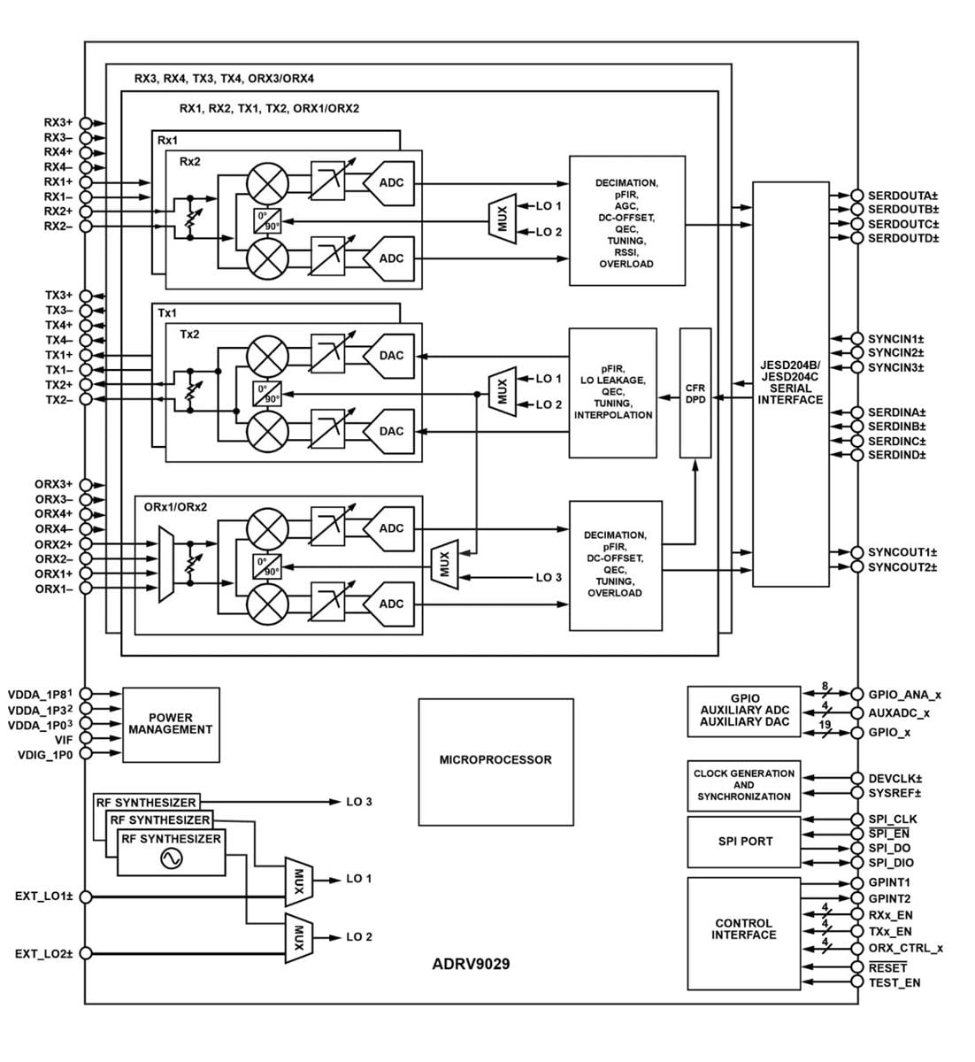
Analog Devices Inc. ADRV9029 Quad RF Transceivers feature 4 differential transmitters, 4 differential receivers, integrated synthesizers, and digital signal processing functions. The transmitters include dedicated observation receiver inputs for monitoring each transmitter channel and use a direct conversion modulator for low noise operation with low power consumption. These devices also include two wide bandwidth, time shared, observation path receivers with two inputs each for monitoring transmitter outputs. The receiver subsystem consists of four independent, wide bandwidth, direct conversion receivers with a wide dynamic range. The complete transceiver subsystem includes automatic and manual attenuation control, DC offset correction, Quadrature Error Correction (QEC), and digital filtering.

The ADRV9029 transceivers include five fully integrated Phase-Locked Loops (PLLs) to achieve a high level of RF performance. These transceivers contain a fully integrated and low-power digital predistortion adaptation engine for use in power amplifier linearization. The ADRV9029 transceivers are powered directly from 1.0 V, 1.3 V, and 1.8 V regulators and are controlled via a standard serial peripheral interface serial port. Typical applications include 3G/4G/5G TDD and FDD massive MIMO, macro, and small cell base stations.

Features

  • 4x differential transmitters
  • 4x differential receivers
  • 2 observation receivers with 2 inputs each
  • 75MHz to 6000MHz center frequency range
  • Fully integrated DPD adaptation engine for power amplifier linearization
  • Crest factor reduction engine
  • 200MHz maximum receiver bandwidth
  • 200MHz maximum transmitter large signal bandwidth
  • 450MHz maximum transmitter synthesis bandwidth
  • 450MHz maximum observation receiver bandwidth
  • Fully integrated independent fractional-N radio frequency synthesizers
  • Fully integrated clock synthesizer
  • Multichip phase synchronization for all local oscillators and baseband clocks
  • Support for TDD and FDD applications
  • 24.33Gbps JESD204B/JESD204C digital interface

Articles

Digital Predistortion for RF Communications: From Equations to Implementation

This article explains the fundamentals of digital pre-distortion (DPD), and why it is needed in modern communication systems, and explores how the mathematical model captures real-world signal distortion.

Learn More

 

5G Technology Devices for an O-RAN Wireless Solution

Discover a platform that meets the required RF characteristics, cost, and power budgets required to deploy a low-cost, high-performance O-RAN platform.

Learn More

Block Diagram

Block Diagram - Analog Devices Inc. ADRV9029 Quad RF Transceivers
Publicerad: 2021-03-15 | Uppdaterad: 2024-06-24