Analog Devices Inc. LTM4655 Demonstration Circuit DC2594A
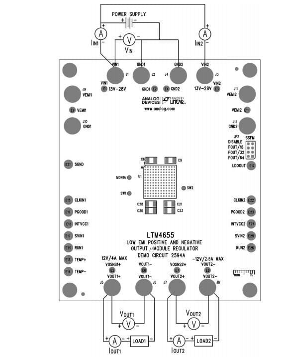
Analog Devices Inc. LTM4655 Demonstration Circuit DC2594A offers an easy method to measure and evaluate the LTM4655 Dual/Single Inverting μModule® Regulators. The LTM4655 is an EN55022B compliant 40V, dual 4A or single 8A step-down or 50W inverting DC/DC μModule Regulator.The ADI LTM4655 Demonstration Circuit DC2594A has set switching frequencies of both channels at 1.2MHz. Suppose the output voltage collapses sufficiently due to an overload or short-circuit condition. In that case, the internal oscillator will fold back to one-fifth of the LTM4655’s programmed switching frequency, protecting the power switch from damage.
Features
- SSFM jumper for spread spectrum options
- CLKIN inputs for external sync
- PGOOD signals for each output
Additional Resources
Overview
Proper Equipment Setup
Publicerad: 2021-08-13
| Uppdaterad: 2022-03-11
