Analog Devices Inc. EV-AD74412RSDZ Evaluation Board
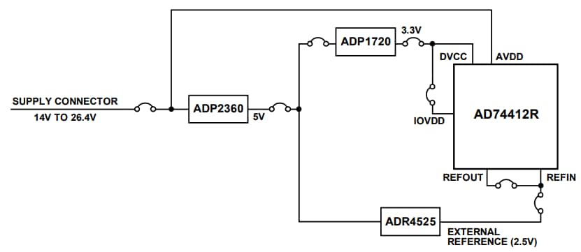
Analog Devices EV-AD74412RSDZ Evaluation Board develops the features of the AD74412R, which is a quad-channel, software-configurable input/output device. The device has functionality for analog output, analog input, digital input, and resistance temperature detector (RTD) measurements integrated into a single-chip solution with a serial peripheral interface (SPI)-compatible interface. The board can be controlled via a system demonstration platform (SDP). The board also requires an AVDD operating supply of 14V to 26.4V but can use power from a PC when connected.Features
- Functionality for analog output, analog input, digital input, and RTD measurements
- Can be controlled via SDP
- Requires an 14V to 26.4V AVDD operating supply
- Can use power from a PC when connected
Kit Contents
- Fully featured evaluation board for the AD74412R
- On-board 2.5V ADR4525 reference
- Serial peripheral interface
- PC-based software for control
Simplified Power Diagram
Publicerad: 2019-11-25
| Uppdaterad: 2024-03-08
