Analog Devices Inc. EVAL-AD4129-8WARDZ Evaluation Kit
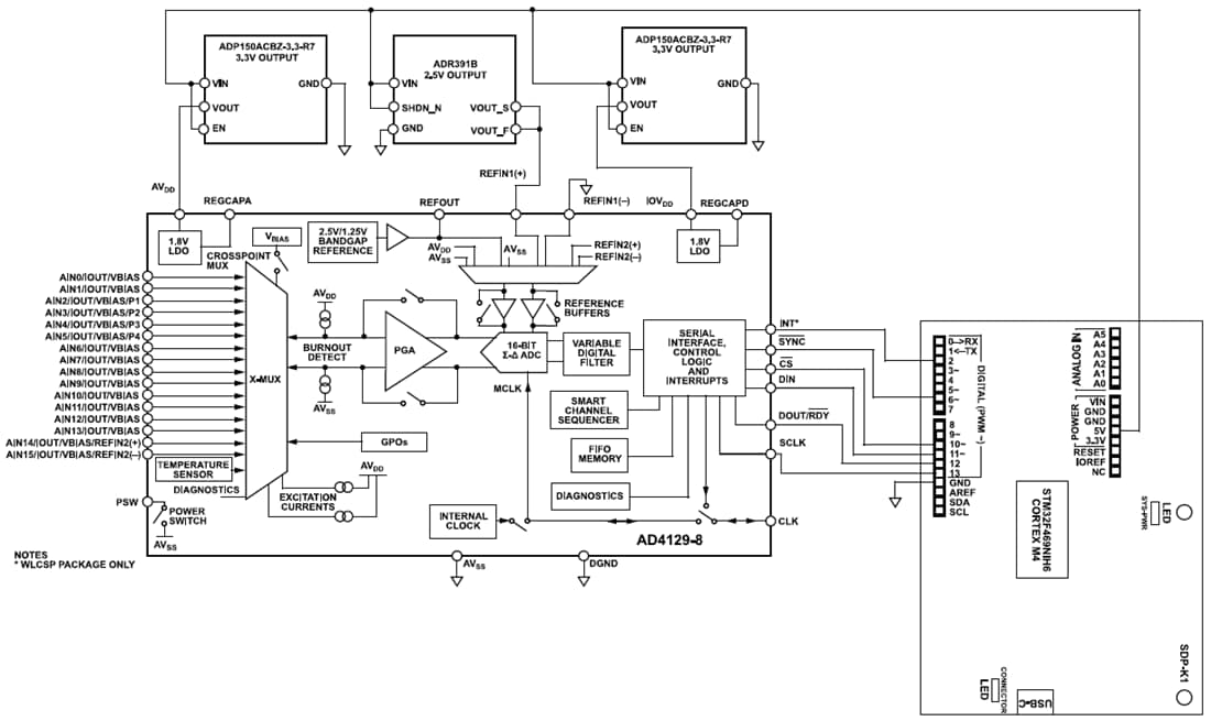
Analog Devices Inc. EVAL-AD4129-8WARDZ Evaluation Kit features the AD4129-8 16-bit, ultra-low power, low noise analog-to-digital converter (ADC). The EVAL-AD4129-8WARDZ board connects to the PC's USB port by connecting to the EVAL-SDP-CK1Z motherboard. Regulate a 5V USB supply through the PC to 3.3V to supply the AD4129-8 and support all necessary components.The AD4129-8 ACE Plugin fully configures the AD4129-8 device register functionality and provides DC time domain analysis as waveform graphs, histograms, and associated noise analysis for ADC performance evaluation.
The Analog Devices Inc. EVAL-AD4129-8WARDZ is an evaluation board that evaluates the features of the ADC. The user PC software executable controls the AD4129-8 over the USB through the EVAL-SDP-CK1Z System Demonstration Platform (SDP) board.
Features
- Full-featured evaluation board for the AD4129-8
- PC control in conjunction with Analog Devices, Inc. System Demonstration Platform (EVAL-SDP-CK1Z)
- PC software for control and data analysis (time domain)
- Standalone capability
Required Equipment
- EVAL-AD4129-8WARDZ evaluation board
- EVAL-SDP-CK1Z system demonstration platform
- DC signal source
- USB cable
- PC running Microsoft Windows with USB 2.0 port
Block Diagram
Publicerad: 2023-11-21
| Uppdaterad: 2023-12-14
