Analog Devices Inc. EVAL-LTC7892-BZ Evaluation Board
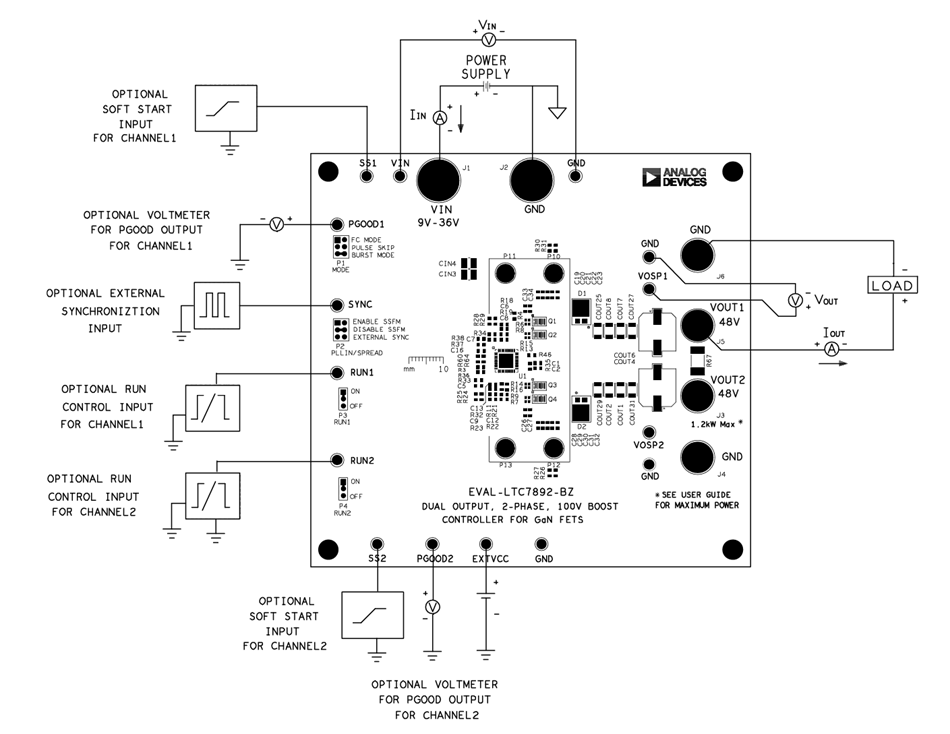
Analog Devices EVAL-LTC7892-BZ Evaluation Board is designed to demonstrate the LTC7892 GaN FET controller. The LTC7892 is optimized with 100V GaN FETs for an operational 9V to 36V input range at 500kHz. The EVAL-LTC7892-BZ is specifically developed to drive GaN FETs safely and efficiently up to 1.4kW power levels via internally optimized bootstrap switches and adaptive time control. Additionally, the IC features low IQ, up to 3MHz programmable/synchronizable switching frequency, spread spectrum, and a small 40-lead (6mm x 6mm) side wettable QFN package.The ADI EVAL-LTC7892-BZ supplies a high-performance, cost-effective solution for rendering a 48V output and can easily be modified to regulate output voltages from 1.2V to 90V.
Features
- GaN drive technology fully optimized for GaN FETs
- Output voltage up to 100V
- Wide VIN range of 4V to 60V and operates down to 1V after start-up
- No catch, clamp, or bootstrap diodes needed
- Internal smart bootstrap switches prevent overcharging of high-side driver supplies
- Resistor adjustable dead times
- 15μA low operating IQ
- Split output gate drivers for adjustable turn-on and turn-off driver strengths
- Accurate adjustable driver voltage and UVLO
- Programmable frequency (100kHz to 3MHz)
- Synchronizable frequency (100kHz to 3MHz)
- Spread spectrum frequency modulation
- 40-lead (6mm x 6mm), side wettable, QFN package
- AEC-Q100 qualified for automotive applications
Applications
- Automotive and industrial power systems
- Military avionics and medical systems
- Telecommunications power systems
Resource
Board Connections
Layout
Publicerad: 2025-01-29
| Uppdaterad: 2025-03-11
