Analog Devices Inc. EVAL-LTPA-KIT Laboratory Tool
Analog Devices Inc. EVAL-LTPA-KIT Laboratory Tool or LTpowerAnalyzer kit is used to evaluate and characterize power supply designs. This tool can measure body response, transient response, and output impedance. The EVAL-LTPA-KIT tool combines with the capabilities of the ADALM2000 learning module to offer high portability. This tool consists of 1A, 10A, 50A, and 100A current probe variations for transient measurements. The EVAL-LTPA-KIT tool includes a base board, interposer boards, LT8642A demo board, and connector sockets. This LTpowerAnalyzer is ideal for laboratory instrumentation applications.
Features
- Designed for laboratory instrumentation
- Measures bode response, transient response, and output impedance
- Offers high portability
- USB-powered device
- Compatible with ADALM2000 module
- Comes with user-friendly interfaces and documentation for hardware and software, allowing easy evaluation of power supply designs
- Each current probe can be used as a DC load of up to 8W in still air
Kit Contents
- EVAL-LTPA-KIT base board
- LT8642A demo board
- Interposer boards
- Interface A board
- Interface B boards (5 pieces)
- Interface C board
- Connector sockets (2 pieces)
- 2" 16-pin ribbon cable
- 8" 14-pin ribbon cable
- Current probes
- 1A current probe
- 10A current probe
- 50A current probe
- 100A current probe
Videos
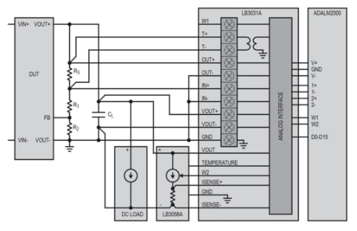
Block Diagram
Publicerad: 2025-01-29
| Uppdaterad: 2025-12-03
