Analog Devices Inc. HMC952ALP5GE RF Amplifiers
Analog Devices HMC952ALP5GE is designed as a four-stage GaAs pHEMT MMIC medium power amplifier. The HMC952ALP5GE amplifier features a temperature compensated on-chip power detector that operates from 8-14GHz. HMC952ALP5GE’s RF inputs/outputs are internally matched to 50Ω. Operating from a +6V supply, the HMC952ALP5GE amplifier provides a high gain of 32dB and +34.5dBm saturated output power at 26% PAE. Offering up to +43dBm IP3, HMC952ALP5GE is well-suited for linear applications such as point-to-point and point-to-multipoint radios or SATCOM applications requiring +34.5dBm of efficient saturated output power.Features
- +35 dBm psat @ 26% PAe
- High P1dB output power: +34dBm
- High Gain: 32dB
- High output IP3: +43dBm
- Supply voltage: Vdd = +6V @ 1400mA
- 50Ω matched input/output
Applications
- Point-to-point radios
- Point-to-multipoint radios
- SATCOM
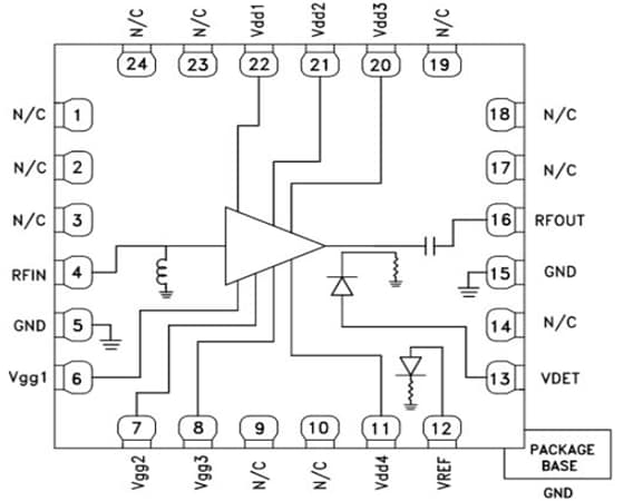
Block Diagram
Publicerad: 2016-12-02
| Uppdaterad: 2022-03-11
