Analog Devices Inc. LT8390 Synchronous Buck-Boost Controllers

Analog Devices Inc. LT8390 Controllers are 4-switch synchronous, buck-boost controllers. The controllers regulate output voltage, input or output current from an input voltage above, below, or equal to the output voltage. The peak-buck/peak-boost current mode control scheme enables adjustable and synchronizable 150kHz to 650kHz fixed frequency operation. The control scheme also allows internal ±15% triangle spread spectrum frequency modulation for low EMI.

The controllers offer 4V to 60V input voltage range, 0V to 60V output voltage capability, and seamless low-noise transitions between operation regions. The Analog Devices Inc. LT8390 Controllers are ideal for the voltage regulator, battery, and supercapacitor charger applications in automotive, industrial, telecom, and even battery-powered systems.

Features

  • 4-switch single inductor architecture allows VIN above, below, or equal to VOUT
  • Up to 98% efficiency synchronous switching
  • Proprietary peak-buck peak-boost current mode
  • 4V to 60V wide VIN range
  • ±1.5% output voltage accuracy: 1V ≤ VOUT ≤ 60V
  • ±3% input or output current accuracy with monitor
  • Spread spectrum frequency modulation for low EMI
  • High-side PMOS load switch driver
  • Integrated bootstrap diodes
  • No top MOSFET refresh noise in Buck or Boost
  • 150kHz to 650kHz adjustable and synchronizable
  • VOUT disconnected from VIN during shutdown
  • Available in 28-lead TSSOP with exposed pad and 28-lead QFN (4mm × 5mm)

Applications

  • Automotive
  • Industrial
  • Telecom systems
  • High power battery-powered system

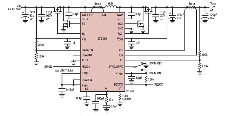
Typical Application

Application Circuit Diagram - Analog Devices Inc. LT8390 Synchronous Buck-Boost Controllers

Technical Articles

Eliminate Switching Noise with 4-Switch Buck-Boost Controller with Pass-Thru Capability
There are several DC-to-DC converter topologies that can perform both step-up and step-down operations, from SEPIC to 4-switch topologies, but none of these solutions pass the input voltage directly to the output without actively switching - until now, that is.

Learn More

4-Switch Buck-Boost Controller Layout for Low Emissions

Automotive application circuits must meet strict EMI standards to avoid interfering with broadcast and mobile service frequency bands so careful layout is imperative.

Learn More

Power By Linear

Analog Devices Inc. LT8390 Synchronous Buck-Boost Controllers
Publicerad: 2017-04-28 | Uppdaterad: 2024-01-12