Analog Devices Inc. LTC7840 Boost Controllers
Analog Devices Inc. LTC7840 Boost Controllers are dual phase dual output and constant frequency current mode nonsynchronous controller with hiccup mode. These boost controllers operate from 5.5V to 60V input supply voltage range. The LTC7840 boost controllers can be configured for the SEPIC and flyback topologies. These controllers feature a precise 1.2V internal reference. The LTC7840 controllers include internal 10V LDO with under-voltage lockout protection for its on-chip gate driver. These boost controllers come in 28-lead thermally enhanced TSSOP package or 28-lead QFN package. Applications include an automotive system, telecom system, and industrial power supplies.Features
- 5.5V to 60V wide VIN range
- Configurable for dual phase single/dual output operation
- Peak current mode control with smooth quadratic slope compensation and dynamic slope recovery
- An adjustable maximum duty cycle
- Adjustable minimum on-time
- Hiccup mode for overcurrent protection
- Adjustable current sense limit
- Output overvoltage protection
- Programmable and phase-lockable operating frequency (from 50kHz to 425kHz)
- Adjustable soft-start current ramping
- ±1% internal voltage reference
- Internal 10V LDO regulator for a gate driver
- Two RUN pins and dual power good monitors
- Flexible topology for boost, SEPIC, and flyback
Applications
- Automotive systems
- Telecom systems
- Industrial power supplies
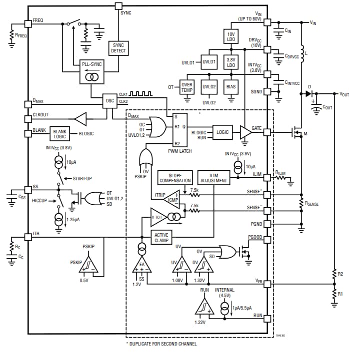
LTC7840 Block Diagram
LTC7840 Typical Application Circuit
Efficiency vs. Output Current
Additional Resource
Publicerad: 2018-12-20
| Uppdaterad: 2023-02-14
