Analog Devices Inc. LTC7878 4-Switch Buck-Boost Controller
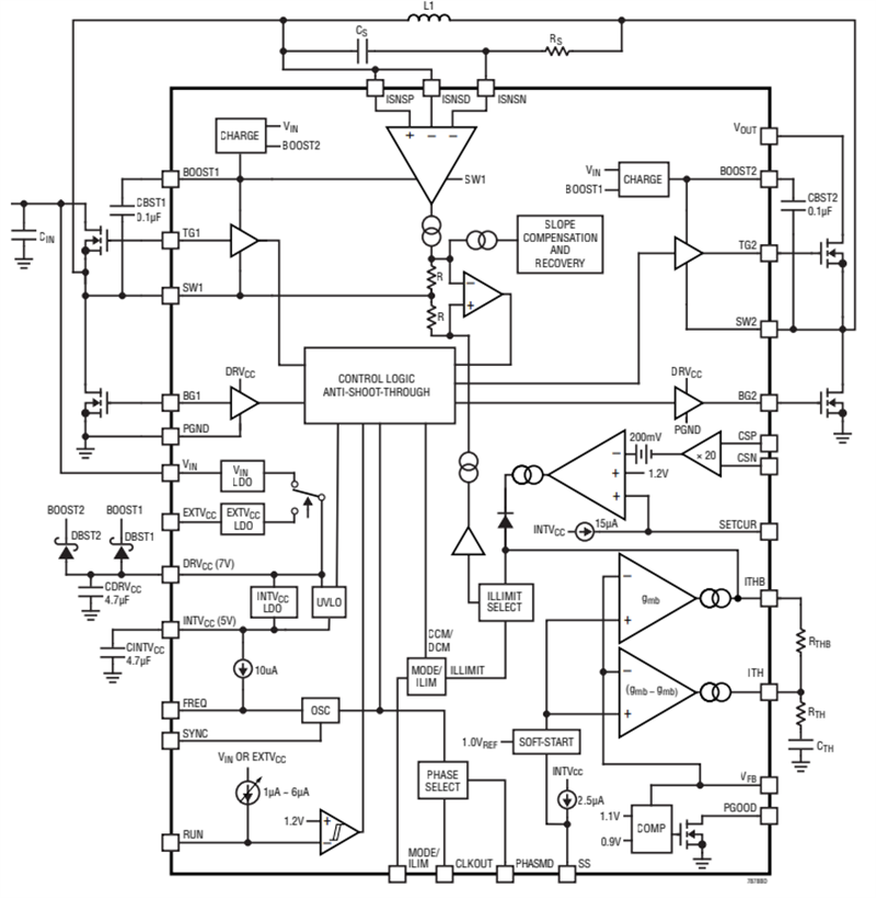
Analog Devices Inc. LTC7878 4-Switch Buck-Boost Controller is a high-performance switching regulator device operating from an input voltage above, below, or equal to the output voltage. A constant-frequency, peak current mode architecture allows up to 600kHz phase-lockable switching frequency. The programmable input/output current loop regulates the average input/output current to support battery charging applications accurately. A wide 5V to 70V input/output range and seamless, low-noise transitions between operating regions make the LTC7878 ideal for industrial and telecom systems.The LTC7878 features forced continuous mode (FCM)/pulse-skipping mode operation and supports multiphase/multi-ICs parallel operation for high-power applications. The low-profile 32-lead QFN packaged controller features a programmable inductor peak current limit, smart EXTVCC auxiliary supply, and 7V N-Channel gate drivers. A PGOOD pin indicates when the output is within 10% of its designed set point.
Features
- Single inductor architecture allows VIN above, below, or equal to the regulated VOUT
- Synchronous rectification with up to 98% efficiency
- Wide 5V to 70V VIN range
- ±1% output voltage accuracy(1V ≤ VOUT ≤ 70V)
- DCR or RSENSE current sensing
- Peak current mode control in Buck/Boost/BuckBoost mode
- Programmable input or output current regulation
- 7V NMOS gate drivers
- Phase-lockable frequency (100kHz to 600kHz)
- Multiphase/multi-ICs parallel operation
- Selectable continuous or pulse-skipping mode
- Operation and inductor peak current limits
- Small 32-lead 5mm2 QFN package
- -40°C to +125°C operating junction temperature range
Applications
- Industrial and telecom systems
- Distributed DC power or battery systems
Typical Application
Block Diagram
Publicerad: 2022-12-29
| Uppdaterad: 2023-06-06
