Analog Devices / Maxim Integrated MAX17630 Synchronous Step-Down DC-DC Converter
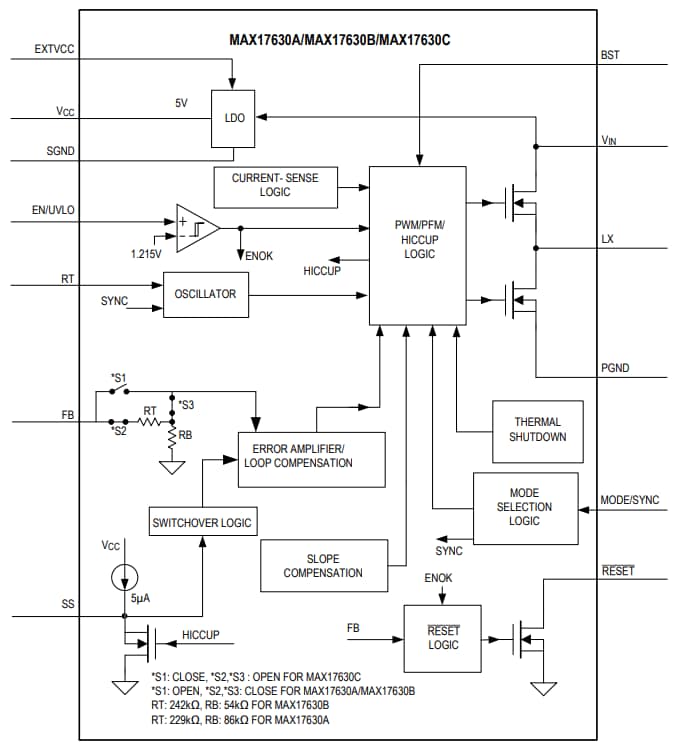
Analog Devices MAX17630 High-Efficiency, Synchronous Step-Down DC-DC Converter feature integrated MOSFETs operating over an input-voltage range of 4.5V to 36V. The converters are ideal for power-supply applications such as industrial control, base station, and general-purpose point-of-load. MAX17630 is designed with peak-current-mode control architecture. The device can be operated in forced pulse-width modulation (PWM), pulse-frequency modulation (PFM), or discontinuous-conduction mode (DCM) to enable high efficiency under full-load and light-load conditions. Analog Devices MAX17630 High-Efficiency, Synchronous Step-Down DC-DC Converter is available in three variants: MAX17630A, MAX17630B, and MAX17630C. MAX17630A and MAX17630B are fixed 3.3V and 5V output parts, respectively. The MAX17630C is an adjustable output voltage (0.9V up to 90% of VIN) part.Features
- All-ceramic capacitors for compact layout
- Wide 4.5V to 36V voltage input
- Adjustable output voltage range from 0.9V up to 90% of VIN
- Delivers up to 1A over-the-temperature range
- 400kHz to 2.2MHz adjustable frequency with external clock synchronization
- Available in a 16-pin, 3mm x 3mm TQFN package
- 2.8µA shutdown current
- Hiccup-mode overload protection
- Adjustable and monotonic startup with pre-biased output voltage
- Built-in output-voltage monitoring with RESET
- Programmable EN/UVLO threshold
- Overtemperature protection
- -40°C to +150°C operating temperature range
Applications
- Industrial control power supplies
- General-purpose point-of-load
- Distributed supply regulation
- Base station power supplies
- Wall transformer regulation
- High-voltage single-board systems
Block Diagram
Application Circuit
Publicerad: 2019-09-16
| Uppdaterad: 2023-04-22
