Analog Devices Inc. MAX18066/MAX18166 Step-Down DC-DC Regulators

Analog Devices Inc. MAX18066/MAX18166 Step-Down DC-DC Regulators deliver an output current up to 4A with high efficiency. The devices operate from an input voltage of 4.5V to 16V and provide an adjustable output voltage from 0.606V to 90% of the input voltage. The devices are ideal for distributed power systems, notebook computers, nonportable consumer applications, and pre-regulation applications. The devices feature a PWM mode operation with an internally fixed switching frequency of 500kHz (MAX18066) and 350kHz (MAX18166) capable of a 90% maximum duty cycle. The devices automatically enter skip mode at light loads. The current-mode control architecture simplifies compensation design and ensures a cycle-by-cycle current limit and fast response to line and load transients. A high-gain transconductance error amplifier allows flexibility in setting the external compensation, simplifying the design, and allowing for an all-ceramic design.

The synchronous buck regulators feature internal MOSFETs that provide better efficiency than asynchronous solutions while simplifying the design relative to discrete controller solutions. In addition to simplifying the design, the integrated MOSFETs minimize EMI, reduce board space, and provide higher reliability by minimizing the number of external components. Additional features include an externally adjustable soft-start, independent enable input and power-good output for power sequencing, and thermal shutdown protection. The devices offer overcurrent protection (high-side sourcing) with hiccup mode during an output short-circuit condition. The devices ensure a safe startup when powering into a pre-biased output. The MAX18066/MAX18166 are available in a 2mm x 2mm, 16-bump (4 x 4 array), 0.5mm pitch wafer-level package (WLP), and are fully specified from -40°C to +85°C.

Features

  • Feature integration shrinks solution size
    • Integrated 40mΩ (high-side) and 18.5mΩ (low-side) RDS-ON power MOSFETs
    • Stable with low-ESR ceramic output capacitors
    • Enable input and Power-Good output
    • Cycle-by-cycle overcurrent protection
    • Fully protected against overcurrent (hiccup protection) and over-temperature
  • High efficiency conserves power
    • Up to 96% efficiency (5V input and 3.3V output)
    • Up to 93% efficiency (12V input and 3.3V output)
    • Automatic skip mode during light loads
  • Safe, reliable, accurate operation
    • Continuous 4A output current
    • ±1% output accuracy over load, line, and temperature
    • Safe startup into a pre-biased output
    • Programmable soft-start
    • VDD LDO undervoltage lockout
  • Well-suited to distributed power, networking, and computing applications
    • 4.5V to 16V input voltage range
    • Adjustable output voltage range from 0.606V to (0.9 x VIN)
  • Available in EE-Sim® Design and simulation tool to slash design time

Applications

  • Distributed power systems
  • Pre-regulators for linear regulators
  • Home entertainment (TV and set-top boxes)
  • Network and datacom
  • Servers, workstations, and storage

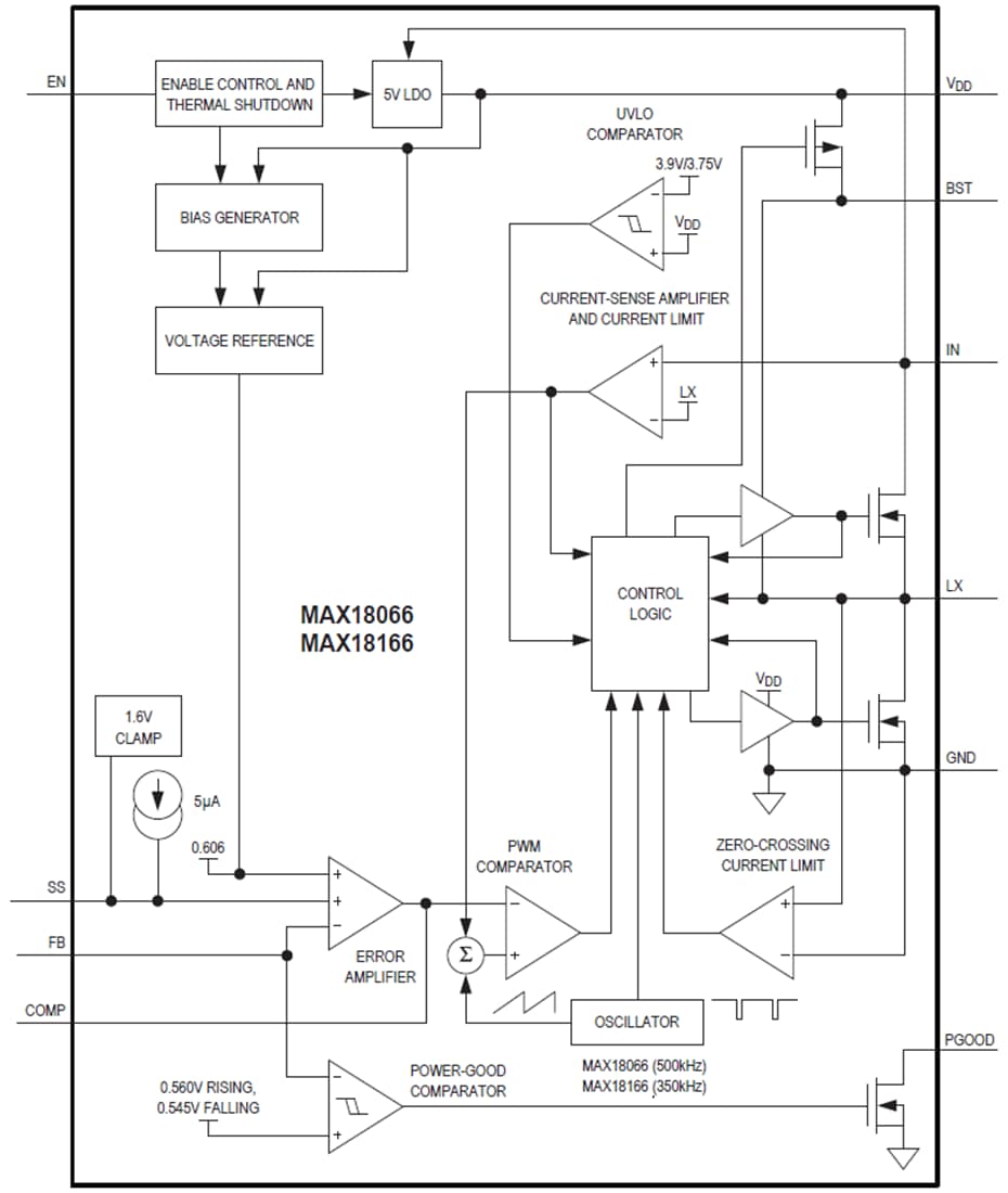
Block Diagram

Block Diagram - Analog Devices Inc. MAX18066/MAX18166 Step-Down DC-DC Regulators
Publicerad: 2020-03-24 | Uppdaterad: 2025-08-25