Analog Devices / Maxim Integrated MAX20328 & MAX20328x MUX Switches

Analog Devices MAX20328 and MAX20328x MUX Switches are USB Type-C™ audio interface ICs for portable applications. Data and SBU lines risk shorting to a high bus voltage, risking permanent damage to the portable device. The MAX20328 and MAX20328x switches offer a USB Type-C and USB Power Delivery (PD) for a high-voltage charging solution. USB 2.0 data lines also need protection when multiplexed with analog audio signals that vary from positive to negative voltages. The devices can detect a CC pin connection event to disable the microphone bias and eliminate pop-up noise when an audio accessory is attached. The Analog Devices MAX20328 and MAX20328x are housed in a 5 x 5 array, 25-bump, 0.4mm pitch, 2.34mm x 2.34mm Wafer-Level Package (WLP).

Features

  • Versatile and flexible switch configurations
    • High-speed USB data or audio switch paths
    • Automatic impedance detection in audio configurations
    • Full manual switch control
    • Beyond-the-Rails™ signal capability
  • Overvoltage-protected data and audio channels
    • Two separate OVLO blocks
    • OVLO threshold programmable to 3.37V, 4.00V, 4.70V, or 5.00V
  • High ESD and surge-protected USB Type-C contacts
    • ±12kV HBM
    • ±25V surge capable on USB Type-C pins
  • Negative voltage capable audio channel
    • ±5V audio signals (limited by positive OVLO threshold)
    • -100dB THD+N
    • -100dB PSRR at 217Hz
  • Minimal solution size
    • 5x5 array, 0.4mm pitch 2.34mm x 2.34mm WLP

Applications

  • Smartphones
  • Phablets
  • Tablet PCs

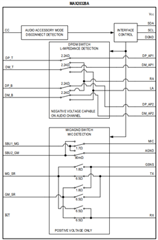
Block Diagrams

Publicerad: 2018-07-17 | Uppdaterad: 2023-04-25