Analog Devices / Maxim Integrated MAX22200 Solenoid & Motor Driver
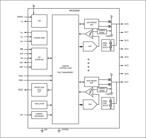
Analog Devices Inc. MAX22200 Solenoid and Motor Driver is an octal 36V serial-controlled solenoid driver. ADI MAX2220 features each channel with a low impedance (200mΩ typical) push-pull output stage. It has a sink-and-source driving capability with up to 1ARMS driving current. The serial interface (SPI) supports daisy-chain configurations is provided to individually control each channel. The device half-bridges are configured as low-side drivers or as high-side drivers. Moreover, pairs of half-bridges can be paralleled to double the driving current or can be configured as full-bridges to drive up to four latched valves (bi-stable valves) or four brushed DC motors.Features
- Eight Half-Bridges Up To +36V
- High Performances
- Low on-resistance: RDS(on) of 200mΩ typical (TA = +25°C)
- Continuous output current up To 1ARMS per HalfBridge (TA = +25°C)
- Current-Drive Regulation (CDR)
- Voltage-Drive Regulation (VDR)
- Integrated Lossless Current Sensing (ICS)
- High Flexibility
- Independent programmable HIT and HOLD currents for each channel (IHIT, IHOLD)
- Independent programmable HIT current timing for each channel (tHIT)
- Full-bridge configuration supported
- Parallel mode supported
- High-speed serial interface (SPI)
- 5MHz daisy-chain configuration
- 10MHz without daisy chain
- Protections and Diagnostic
- Overcurrent Protection (OCP)
- Open-Load detection (OL)
- Detection of Plunger Movement (DPM)
- Undervoltage Lockout (UVLO)
- HIT Current Not Reached (HHF)
- Thermal Shutdown T = +145°C (TSD)
- Fault registers for diagnostic purposes
- Integration:
- TQFN-32 5mm x 5mm package
Applications
- Relay driver
- Solenoid, valves, electromagnetic drivers
- Generic low-side and high-side switch applications
- Latched (Bi-Stable) solenoid valve drivers
- Brushed DC motor driver
Block Diagram
Videos
Publicerad: 2021-05-04
| Uppdaterad: 2023-04-13
