Analog Devices Inc. MAX2223 Direct Conversion L-Band Satellite Tuner

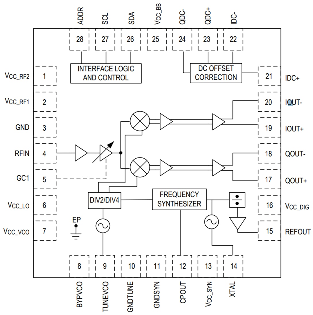
Analog Devices Inc. MAX2223 Direct Conversion L-Band Satellite Tuner is designed for satellite set-top and Very Small Aperture Terminal (VSAT) applications. The device directly converts the satellite signals from the LNB to baseband using a broadband I/Q down-converter. The operating frequency range extends from 925MHz to 2175MHz. MAX2223 includes an LNA and an RF variable-gain amplifier, I and Q down-converting mixers, and baseband amplifiers. The RF variable-gain amplifier provides more than 70dB of gain control range and an RF bandwidth of 1GHz.

The device includes fully monolithic VCOs, as well as a complete fractional-N frequency synthesizer. Additionally, an on-chip crystal oscillator is provided along with a buffered output for driving additional tuners and demodulators. Synthesizer programming and device configuration are accomplished with a 2-wire serial interface. The IC features a VCO auto-select (VAS) function that automatically selects the proper VCO. For multi-tuner applications, the device can be configured to have one of two 2-wire interface addresses. A low-power standby mode is available when the signal path is shutdown while leaving the reference oscillator, digital interface, and buffer circuits active. This provides a method to reduce power in single and multi-tuner applications.

Features

  • 925MHz to 2175MHz frequency range
  • Monolithic VCO
    • -97dBc/Hz at 10kHz low phase noise
    • No calibration required
  • -75dBm to 0dBm high dynamic range
  • 1GHz RF bandwidth supported
  • Single +3.3V ±5% supply
  • Low-power standby mode
  • Address pin for multi-tuner applications
  • Differential I/Q interface
  • I2C 2-wire serial interface
  • Very small, 5mm x 5mm, 28-pin TQFN package

Applications

  • VSATs

Block Diagram

Block Diagram - Analog Devices Inc. MAX2223 Direct Conversion L-Band Satellite Tuner
Publicerad: 2020-01-21 | Uppdaterad: 2024-04-17