Analog Devices / Maxim Integrated MAX25239 Automotive Buck-Boost Converters
Analog Devices MAX25239 Automotive Buck-Boost Converters feature integrated H-bridge switches and a fixed-output regulation voltage. The converters also have an externally adjustable output voltage in the 3V to 20V range. The ICs feature an input voltage above, below, or equal to the output regulation voltage. These Analog Devices devices have typical 8.2A and 10A input current limit options and can support continuous load currents up to 6A depending on the input-to-output voltage ratio and operating frequency. The converters also have a wide input voltage range of 2V to 36V.Features
- Meets stringent automotive quality and reliability requirements
- 2V to 36V operating input voltage range allows operation in cold-crank conditions
- Tolerates input transients up to 42V
- EN pin compatible with up to 42V
- 8.2A/10A typical input current limit
- Fixed and adjustable output voltage options
- -40°C to +125°C grade 1 automotive temperature range
- AEC-Q100 qualified high integration and thermally enhanced package reduces BOM cost and board space
- Integrated FETs H-bridge architecture
- 2.1MHz/400kHz/200kHz switching frequency options
- Phase-Locked Loop (PLL) frequency synchronization
- Thermally enhanced, 22-pin FC2QFN package
- Low quiescent current meets stringent OEM current requirements
- 95μA quiescent current in standby mode
- 10μA maximum shutdown current
- Reduced EMI emissions at switching frequency
- Spread-spectrum function enabled/disabled by SPS pin
- Protection features improve system reliability
- Supply undervoltage lockout and thermal protection
- Output PGOOD indicator, overvoltage, and ShortCircuit protection
Applications
- ADAS ECU
- Infotainment systems
- Body electronics
- Start-stop systems
- Point-of-load power supplies
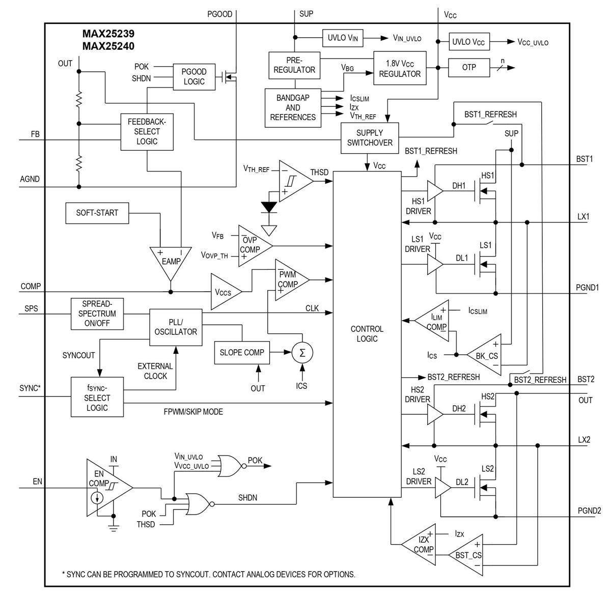
Block Diagram
Publicerad: 2022-11-29
| Uppdaterad: 2023-04-13
