Analog Devices / Maxim Integrated MAX25255 Synchronous Buck Converters
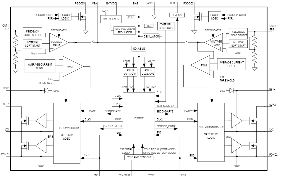
Analog Devices MAX25255 Synchronous Buck Converters are dual buck converters with integrated high-side and low-side switches. These ICs deliver up to 8A per channel with input voltages from 3V to 36V. The devices use only 12μA quiescent current at no load. Voltage quality is monitored by observing the PGOOD signals. The Analog Devices MAX25255 regulates the output voltage in the dropout region by running at 99% of the duty cycle.Features
- Dual buck converter
- Wide input range from 3.0V to 36V (42V, max)
- Low shutdown supply current (6.5µA, max)
- Low operating quiescent current with one channel ON (12µA, typ)
- Programmable VOUT from 0.8V to 14V
- Up to 8A per channel
- 180° out-of-phase operation between two converters
- 24ns (typ) minimum on-time
- Dual/quad phase operation
- Ability to operate two ICs in parallel for quad-phase operation
- ±10% current sharing accuracy
- Supports up to 16A in dual-phase and 32A in quad-phase
- Diagnostics and redundant circuits (MAX25255)
- ASIL B compliant
- Redundant reference
- Die, temperature monitor
- Precision overvoltage and undervoltage protection
- General
- 23-Pin, 4.50mm x 5.75mm FC2QFN package
- -40°C to +125°C operating ambient temperature
- AEC-Q100 rating
- 200kHz, 400kHz, 1MHz, or 2MHz switching frequency options
- Spread spectrum
Applications
- Front-end power supply for head units
- ASIL
- General-purpose dual buck converters
- Telematics modules
- Front camera power
Videos
Simplified Block Diagram
Publicerad: 2022-11-29
| Uppdaterad: 2025-04-15
