Analog Devices / Maxim Integrated MAX25262/MAX25263 Automotive Mini Buck Converters
Analog Devices MAX25262/MAX25263 Automotive 2A/3A Mini Buck Converters offer integrated high-side and low-side switches with up to 2A/3A current. The MAX25262/MAX25263 operates from a 3.5V to 65V input range while using only 3.5μA quiescent current at no load. The converters include a small 20ns minimum on-time capability, which enables large step-down conversions in a single stage without skipping cycles. A max duty cycle of 98% and low high-side FET ON resistance allows a low dropout operation for low input voltage applications. Analog Devices MAX25262/MAX25263 mini buck converters monitor the voltage quality by observing the PGOOD signal and provide two fixed 5V and 3.3V output voltages. Furthermore, using an external resistor divider, the devices can be configured for 1V to 20V output voltages.The MAX25262/MAX25263 frequency is internally fixed at 2.1MHz, which permits small external components, reduced output ripple, and guarantees no AM interference. A 400kHz option allows minimum switching losses and maximum efficiency. The IC enters skip mode at light loads for high light load efficiency when FSYNC is pulled low. A pin-selectable forced pulse-width modulation (PWM) mode is also available for EMI-critical applications. The IC comes in a symmetrical flip-chip package that offers superior EMI performance. Further, the pin-selectable spread spectrum helps to enhance the EMI performance.
Features
- Meets stringent Original Equipment Manufacturer (OEM) module power consumption and performance specifications
- 2A/3A Output-current capability
- 3.5μA Supply current in standby mode
- EMI Reduction features reduce interference with sensitive radio bands without sacrificing the wide input voltage range
- 20ns (typ) Minimum on-time guarantees skip-free operation for 3.3V output at 2.1MHz and 24Vin
- Spread-spectrum option
- Phase-Locked Loop (PLL) frequency synchronization
- Enables double battery operation
- Wide input supply range from 3.5V to 65V
- Programmable 1V to 20V output voltage
- Fixed 5V/3.3V/12V options available
- Protection features improve system reliability
- PGOOD Output and high-voltage EN input simplify power sequencing
- Under-voltage lockout
- Over temperature and short circuit protection
- AEC-Q100 Qualified
Applications
- Double-battery automotive systems
- Automotive instrument cluster
- Distributed DC power systems
- Navigation and radio head units
Additional Resources
Videos
Simplified Block Diagram
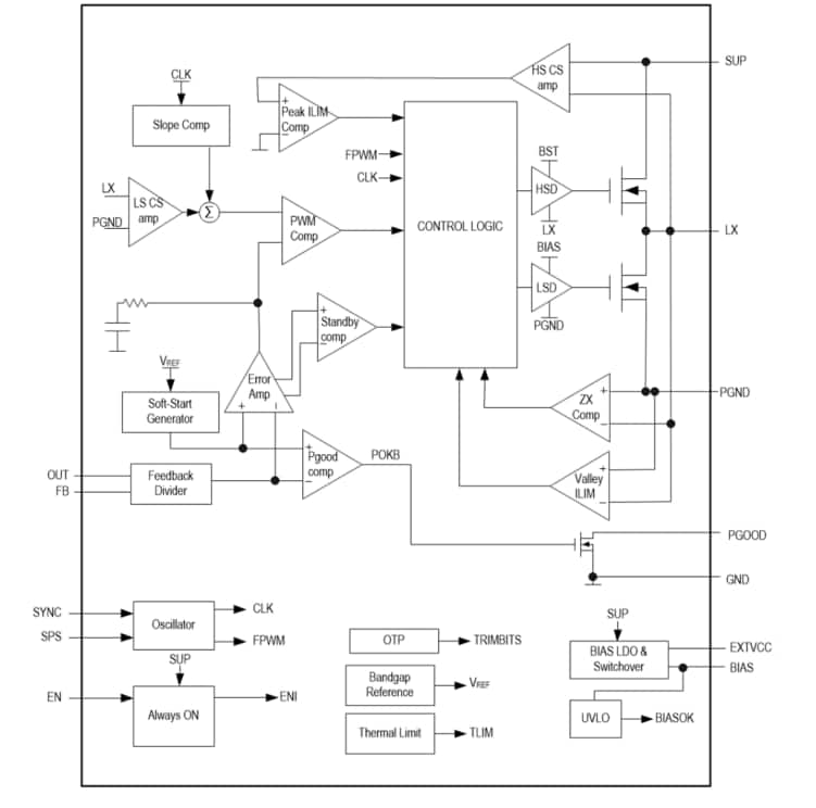
Functional Diagram
Publicerad: 2023-02-01
| Uppdaterad: 2023-04-24
