Analog Devices / Maxim Integrated MAX25606 6-Switch Matrix Manager for LED Lighting

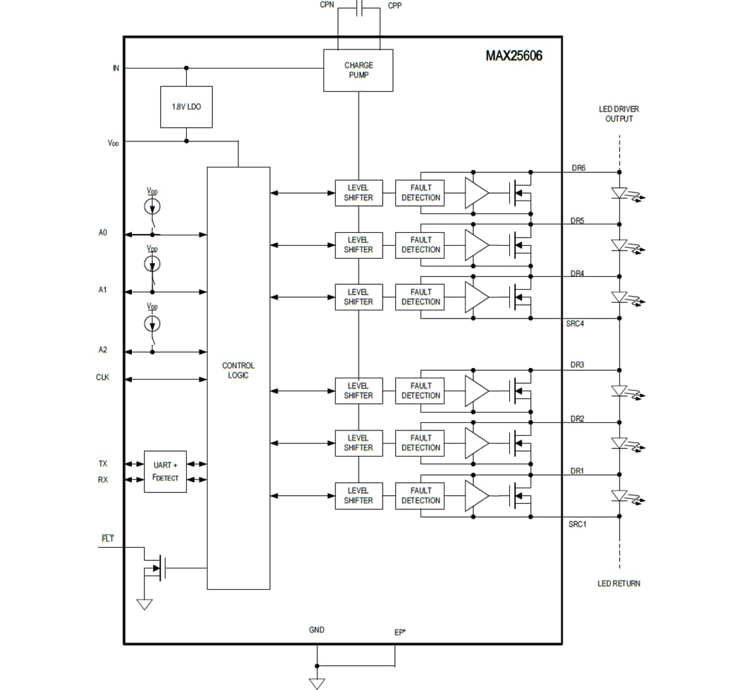
Analog Devices MAX25606 6-Switch Matrix Manager for LED Lighting is optimized for single- or dual-string automotive lighting applications. The MAX25606 integrates six individually controlled N-channel MOSFET switches. Each switch has an on-resistance of 0.2Ω and is rated to withstand 16V. A single current source can be used to power all the LEDs connected in series. Individual LEDs can be dimmed by turning on and off the bypass switches across each LED. The MAX25606 can also be configured in two-string applications with three switches in series per string. Each switch can be connected across one, two, or three LEDs in series. This device also allows for the parallel connection of two switches to bypass high-current LEDs. The MAX25606 includes an internal charge pump that provides power for the gate drive for the LED bypass switches.

The MAX25606 features a Universal Asynchronous Receiver-Transmitter (UART) communication interface. Each switch can be turned on, turned off, or PWM modulated with 12-bits of PWM duty cycle adjustment. Transitions between two different PWM settings can either happen instantly or a logarithmic fade transition can be applied. The logarithmic fade algorithm is built into the MAX25606 and only requires a single software command. This device features open-LED protection as well as open and short LED fault reporting through the serial interface.

The Analog Devices MAX25606 6-Switch Matrix Manager is available in a thermally-enhanced TQFN20 package with wettable flanks. Devices with wettable flanks enable Automated Optical Inspection (AOI), exhibit greater resistance to shear forces, and can handle PCB flexing, thus improving reliability. This device is AEC-Q100 grade 1 qualified and designed to operate over the full -40ºC to +125ºC temperature range.

Features

  • AEC-Q100 qualified for automotive applications
  • Six-switch matrix manager allows for flexible configuration
    • Single and dual-string configurations
    • Up to 6 switches in series for single string
    • Up to 3 switches in series in dual-string
    • Up to 3 LEDs per switch
  • Robust serial interface
    • Multi-drop UART communication interface
    • Up to 64 addressable devices
    • Compatible with CAN physical layer
  • Optimal PWM dimming arrangement provides excellent dimming performance
    • Programmable 12-bit PWM dimming
    • Fade transition between PWM dimming states
    • Internal clock generator or external clock for PWM dimming
  • EMI mitigation
    • Programmable slew rate for EMI control
    • Integrated spread spectrum frequency dithering
  • Protection features and package improve reliability
    • Open-LED protection
    • Programmable open and short-LED threshold
    • Open and shorted-LED fault reporting
    • Open trace fault reporting
  • -40ºC to +125ºC operating temperature range
  • 4.0mm x 4.0mm TQFN20 package with wettable flanks
  • Pb-free and RoHS compliant

Applications

  • Automotive matrix LED systems and adaptive drive beam lights

Typical Application Circuit

Application Circuit Diagram - Analog Devices / Maxim Integrated MAX25606 6-Switch Matrix Manager for LED Lighting

Block Diagram

Block Diagram - Analog Devices / Maxim Integrated MAX25606 6-Switch Matrix Manager for LED Lighting
Publicerad: 2021-06-21 | Uppdaterad: 2023-04-11