Apex Microtechnology EK11 Evaluation Kit
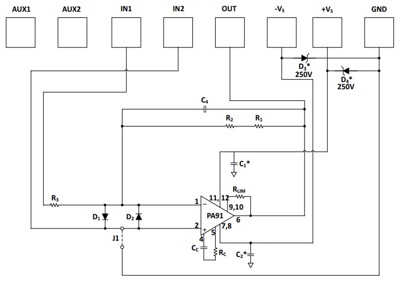
Apex Microtechnology EK11 Evaluation Kit is for use with PA90, PA91, and PA98 operational amplifiers. This evaluation kit is flexible enough to analyze a multitude of standard or proprietary circuit configurations due to its ample breadboarding areas. With the terminals located on the edge of the circuit board, an external connection to the evaluation kit is achievable. Apex Microtechnology EK11 Evaluation Kit offers terminal pads that are suitable for standard banana jacks or direct soldering of wires.Features
- PA91 pin-out
- Flexible design
- Terminal pads are suitable for banana jacks or direct soldering of wires
Pre-Wired Connections Schematic
Publicerad: 2020-10-28
| Uppdaterad: 2024-04-12
