Apogee Semiconductor AP54RHC705 Radiation Hardened Dual D Flip Flops
Apogee Semiconductor AP54RHC705 Radiation Hardened Dual D Flip Flops are members of the AP54RHC logic family operating across a 1.65VDC to 5.5VDC voltage supply range. These dual D flip flops are fabricated in a 180nm CMOS process utilizing proprietary radiation-hardening techniques, delivering high resiliency to Single Event Effects (SEE). A proprietary output stage and robust Power On Reset (POR) circuit allow the AP54RHC705 to be cold-spared in any redundant configuration with no static power loss. The AP54RHC705 radiation-hardened dual D flip flops support zero-power penalty cold-sparing and class 2 ESD protection on all inputs and outputs.The AP54RHC705 radiation-hardened dual D flip flops feature built-in triple redundancy for enhanced reliability, logic-level down translation to VCC, and TID resilience of 30krad (Si). These dual D flip flops also feature a 17ns propagation delay time and operate between -55°C to 125°C an extended operating temperature range. The AP54RHC705 dual D flip flops provide four instances of the boolean logic function. These AP54RHC705 dual D flip flops are used in space and medical imaging applications.
Features
- Provides logic-level down translation to VCC
- Proprietary cold-sparing capability with zero static power penalty
- Built-in triple redundancy for enhanced reliability
- Internal Power On Reset (POR) circuitry ensures reliable power-up and power-down responses during hot plug and cold-sparing operations
- Class 2 ESD protection (4000V HBM, 500V CDM)
- TID resilience of 30krad (Si)
- SEL resilient up to LET of 80 MeV-cm2/mg
Specifications
- 1.65VDC to 5.5VDC input voltage range
- Inputs tolerant up to 5.5VDC at any VCC
- 100mA of maximum supply current
- 100mA of continuous output current
- 100mA of the input clamp current
- -55°C to 125°C operating temperature range
- -65°C to 150°C storage temperature range
Applications
- Space
- Medical imaging
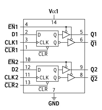
Logic Diagram
Publicerad: 2022-12-22
| Uppdaterad: 2024-08-27
