Broadcom HEDS-9930 (E2/E2L) Evaluation Boards

Broadcom HEDS-9930 (E2/E2L) Evaluation Boards are designed to be used as a reference design for the AEDR-9930 encoder ASIC. The AEDR-9930E2/E2L are three-channel reflective optical encoders that provide digital signals by using a reflective technology for motion control purposes. These digital encoders offer two-channel (AB) quadrature digital outputs and a third-channel digital index output. Typical applications include closed-loop stepper motors, industrial printers, actuators, robotics, card readers, linear stages, portable medical equipment, optometric equipment, and Pan-Tilt-Zoom (PTZ) cameras.

Applications

  • Closed-loop stepper motors
  • Small motors and actuators
  • Industrial printers
  • Robotics
  • Card readers
  • Pan-Tilt-Zoom (PTZ) cameras
  • Portable medical equipment
  • Optometric equipment
  • Linear stages

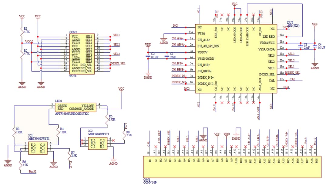
Schematic Diagram

Schematic - Broadcom HEDS-9930 (E2/E2L) Evaluation Boards
Publicerad: 2025-04-14 | Uppdaterad: 2025-04-30