Broadcom HSMF-C118 Tricolor ChipLED
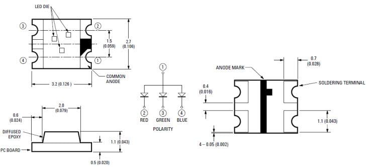
Broadcom HSMF-C118 TriColor ChipLED features three dies in an ultra-small package of 3.2mm x 2.7mm x 1.1mm. The module offers a red / green / blue color combination that can be mixed to create a range of secondary colors to suit any application and product theme. Broadcom HSMF-C118 TriColor ChipLED provides high brightness using AlInGaP and InGaN die technology. Typical applications include backlighting, status and front-panel indicators, office automation, home appliances, and industrial equipment.Features
- Common anode
- Small package, 3.2mm x 2.7mm x 1.1mm
- Diffused optics
- Red / green / blue color combination
- High brightness using AlInGaP and InGaN die technology
- Available in 8mm tape on 7" (178mm) diameter reels
- Compatible with reflow soldering
Applications
- Backlighting
- Status indicators
- Front-panel indicators
- Office automation
- Home appliances
- Industrial equipment
Dimensions (mm)
Publicerad: 2019-10-22
| Uppdaterad: 2023-06-26
