Digi Connect ME® Device Server Modules
Digi International Connect ME® Device Server Modules deliver complete and versatile embedded IPv6-ready network connectivity and strong standards-based encryption services. These Digi International server modules have plug-and-play functionality and professional development tools for custom applications. The ME server modules are built on leading Digi 32-bit NET+ARM technology. These modules are pin-compatible and interchangeable with the Digi Connect Wi-ME and provide a direct migration path to a wireless solution. The ME server modules operate at -40°C to +85°C. These server modules feature an integrated 10/100 Mbit Ethernet interface and strong enterprise-grade network security.The ME server modules include a highly integrated low-emission design and high-speed serial interface. These server modules are ideal for retail systems, security/access control, medical devices, and building/industrial automation.
Features
- Integrated 10/100 Mbit Ethernet interface
- Strong enterprise-grade network security
- Common family footprint for wired and wireless modules
- High-speed serial interface (UART)
- Compact and secure 32-bit device server modules
- Complete family of pin-compatible module solutions
- Highly integrated low-emission design (FCC Class B)
- Extended and industrial operating temperature
- Digi processor and WLAN technology for true long-term availability
Specifications
- 32-bit Digi NS7520 processor
- 55MHz processor speed
- -40°C to +85°C operating temperature range
- -50°C to +125°C storage temperature range
- 5% to 90% non-condensing relative humidity
Applications
- Retail systems
- Security/access control
- Medical devices
- Building/industrial automation
Block Diagram
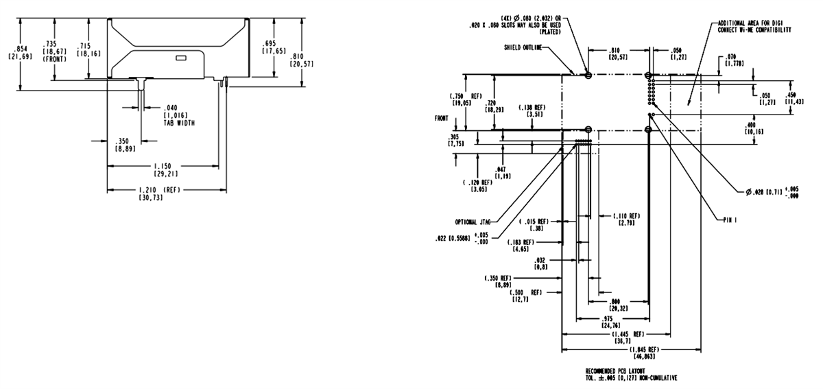
Mechanical Diagram
Publicerad: 2019-12-11
| Uppdaterad: 2024-02-29
