Diodes Incorporated AL58818Q 18-Channel Linear LED Driver
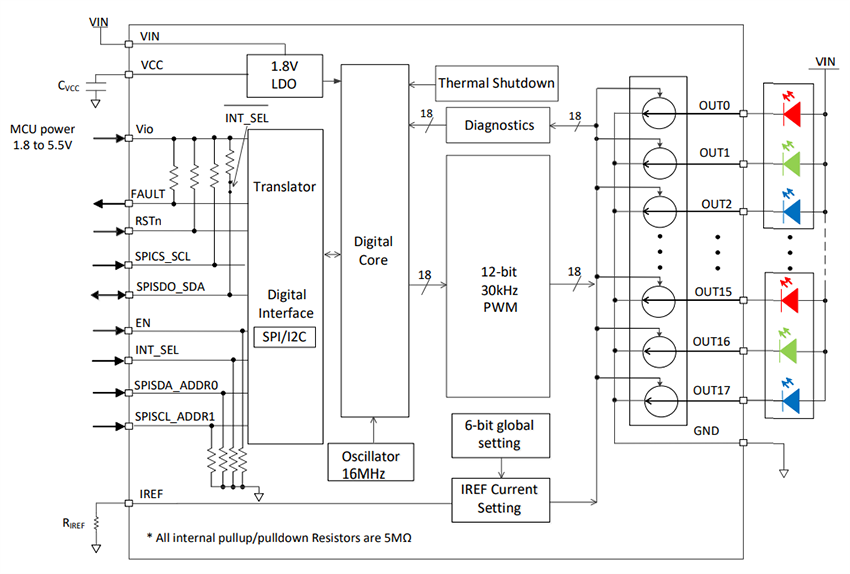
Diodes Incorporated AL58818Q 18-Channel Linear LED Driver comprises 18 programmable LED current channels, each with internal 12-bit Pulse Width Modulation (PWM) and 6-bit global current dimming for color and brightness control through an I2C or SPI digital interface. AL58818Q is ideal for up to six RGB LED lighting modules with three programmable banks (A, B, C) for software control of each color or 18 single-color LEDs with independent dimming for each channel. An external resistor can set up the global output current of all 18 channels. Each channel current can be digitally configured up to the thermal limitation of the package. The AEC-Q100 (Grade 1) qualified device operates over a -40°C to +125°C ambient temperature range and is available in a W-QFN5050-40/SWP (Type A1) MSL level 1 package.AL58818Q features are controlled via the I2C/SPI digital interface. Using a dedicated pin INT_SEL to select either the I2C or SPI serial interface protocols. The Diodes Inc. AL58818Q offers an internal 30kHz, 12-bit PWM generator for each channel, as well as channel/module independent color mixing and brightness control registers. These characteristics enable a PWM phase shift staggered delay out to achieve vivid LED effects without audible noise and meet EMC CISPR 25 Class 5 requirements. Users benefit from the device’s ultra-low shutdown IQ Power Saving Mode and easy software programming.
Features
- 2.7V to 5.5V input voltage range
- 18x precision LED current sinks
- 5.5V maximum OUT pins Voltage
- 70mA current per channel
- 12-bit PWM register with 30kHz internal PWM generator
- PWM phase shifting
- 6-bit global current dimming
- Independent color-mixing registers
- Independent brightness control registers
- Logarithmic or linear-scale brightness control
- 3x programmable banks (A, B, C)
- 200mV typical low-dropout VSAT at 70mA
- Hardware-selectable I2C or SPI digital interface, supports 400kHz I2C interface and 4MHz SPI
- Ultra-low 1μA quiescent shutdown, 15μA maximum in power-saving mode
- Diagnosis and protections
- Open-drain fault indication pin and registers
- Individual fault mask registers for each channel
- Overtemperature Protection (OTP) with pre-OTP warning
- LED open/short and undervoltage
- W-QFN5050-40/SWP (Type A1) 5mm x 5mm package
- Moisture Sensitivity Level (MSL) 1
- Suitable for automotive applications requiring specific change control; AEC-Q100 (Grade 1) qualified, PPAP-capable, and manufactured in IATF16949 certified facilities
- Lead-free, Halogen-/antimony-free, and RoHS-compliant Green device
Applications
- Automotive interior and exterior lighting
- Infotainment displays
- Automotive status indicator lights
- Touch panels and LCD displays
Specifications
- 160mA maximum OUTx output current
- 1.8V to 5.5V operating input power from the MCU rail
- Power supply
- 1.74V to 1.86V internal LDO output
- Supply current
- 6µA maximum shutdown
- 33µA maximum standby
- 9mA maximum normal-mode
- 33µA maximum power-save mode
- VIN UVLO
- 2V to 2.5V rising range
- 1.8V to 2.4V falling range
- 0.68V to 0.72V output voltage of the IREF pin
- Current sink
- 7mA to 70mA maximum global output current range
- 155mA maximum internal current limit
- 2.2µA maximum LEDx leakage current
- 0.6V maximum output saturation voltage
- 0.10V to 0.35V LED open threshold range
- 0.31V to 0.9V LED short threshold range
- PWM group dimming
- 25kHz to 36kHz PWM frequency range
- 15.5MHz typical internal oscillator frequency
- 8ns typical IOUTx rise time
- Protection
- +145°C typical pre-thermal warning threshold
- +20°C typical pre-thermal warning hysteresis
- +165°C typical thermal shutdown temperature
- +20°C typical thermal shutdown temperature hysteresis
- Thermal resistance
- 36.0°C/W junction-to-ambient
- 18.7°C/W junction-to-case (top)
- 1.1°C/W junction-to-case (bottom)
- 6.4°C/W junction-to-board
- Characterization parameters
- 0.2°C/W junction-to-top
- 6.4°C/W junction-to-board
- ESD ratings
- 2000V maximum Human Body Model (HBM)
- 1000V maximum Charged-Device Model (CDM)
- -40°C to +125°C operating ambient temperature range
Resources
- Product Announcement: I2C/SPI Programmable 18-/12-Channel Linear LED Drivers with Digital-Color Mixing Simplify Automotive Dynamic Lighting
Functional Block Diagram
Publicerad: 2025-09-12
| Uppdaterad: 2025-10-09
