Diodes Incorporated AP66200 Synchronous DC-DC Buck Converter
Diodes Incorporated AP66200 Synchronous DC-DC Buck Converter is an adjustable switching frequency, internally compensated component with a 500kHz default internal frequency. The fully integrated AP66200 provides highly efficient step-down DC-DC conversion utilizing a 185mΩ high-side power MOSFET and an 80mΩ low-side power MOSFET. The Green U-QFN4040-16/SWP (Type UXB) packaged AP66200 enables a continuous load current (up to 2A) with efficiency as high as 95% in enhanced bias. A current mode control operation enables easy loop stabilization while supporting a wide capacitive load output range.Features
- 3.8V to 60V input range
- 2A continuous output current
- Output voltage adjustable from 0.8V to 50V
- Enhanced efficiency mode with bias
- Adjustable switching frequency, 500kHz default
- Start-up with pre-biased output
- External soft-start with tracking
- Sequential, Ratiometric, or Absolute
- Default internal soft-start of 2ms
- Enable pin with 5% tolerance
- Soft discharge
- ±5% power good detection with an internal pull-up resistor
- Overcurrent Protection (OCP) with hiccup
- Thermal protection
- Green U-QFN4040-16/SWP (Type UXB) package
- Lead-free and RoHS compliant
- Halogen and Antimony-free, "Green" device
Applications
- General-purpose point-of-load DC/DC power conversion
- Telecommunication systems
- Distributed power supplies
- Home audio devices
- Consumer electronics
- Network supplies
- FPGA, DSP, and ASIC supplies
- Green electronics
Specifications
- 1.5µA typical shutdown supply current, 3.5µA maximum
- 40µA typical quiescent supply current, 60µA maximum
- 1.7ms typical soft-start period
- 0.75μA to 1.25μA soft-start charging current range
- 110ns minimum on-time (typical)
- 120ns minimum off-time (typical)
- Operating temperature ranges
- -40°C to +85°C ambient
- -40°C to +125°C junction
- Maximum ESD susceptibility
- ±2500V Human Body Model (HBM)
- ±1500V Charged Device Model (CDM)
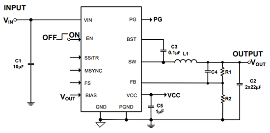
Typical Application
Block Diagram
Publicerad: 2023-01-30
| Uppdaterad: 2024-02-13
