Diodes Incorporated AP66300 Synchronous DC-DC Buck Converter
Diodes Incorporated AP66300 Synchronous DC-DC Buck Converter is an adjustable switching frequency, internally compensated component with a 500kHz default internal frequency. The fully integrated AP66300 provides highly efficient step-down DC-DC conversion utilizing a 120mΩ high-side power MOSFET and a 55mΩ low-side power MOSFET. AP66300 enables a continuous load current (up to 3A) with efficiency as high as 95% in enhanced bias. A current mode control operation enables easy loop stabilization while supporting a wide capacitive load output range. The AP66300 is available in a standard Green U-QFN4040-16/SWP (Type UXB) package.Features
- 3.8V to 60V input range
- 3A continuous output current
- Output voltage adjustable from 0.8V to 50V
- Enhanced efficiency mode with bias
- Adjustable switching frequency, 500kHz default
- Start-up with pre-biased output
- External soft-start with tracking
- Sequential, Ratiometric, or Absolute
- Default internal soft-start of 2ms
- Enable pin with 5% tolerance
- Soft discharge
- ±5% power good detection with an internal pull-up resistor
- Overvoltage protection and undervoltage protection
- Overcurrent protection (OCP) with hiccup
- Thermal protection
- Green U-QFN4040-16/SWP (Type UXB) package
- Lead-free and RoHS compliant
- Halogen and Antimony-free, "Green" device
Applications
- General-purpose point-of-load DC/DC power conversion
- Telecommunication systems
- Distributed power supplies
- Home audio devices
- Consumer electronics
- Network systems
- FPGA, DSP, and ASIC supplies
- Green electronics
Specifications
- 2.2µA typical shutdown supply current, 6.0µA maximum
- 43µA typical quiescent supply current, 63µA maximum
- 1µA maximum switch leakage current
- 1.7ms typical soft-start period
- 0.75μA to 1.25μA soft-start charging current range
- 115ns minimum on-time (typical)
- 125ns minimum off-time (typical)
- Operating temperature ranges
- -40°C to +85°C ambient
- -40°C to +125°C junction
- Maximum ESD susceptibility
- ±2500V Human Body Model (HBM)
- ±1500V Charged Device Model (CDM)
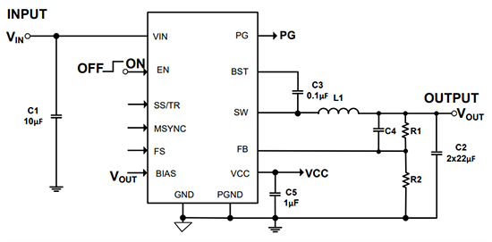
Typical Application
Block Diagram
Publicerad: 2023-01-31
| Uppdaterad: 2023-02-06
