Diodes Incorporated PI3A6386 USB Switch
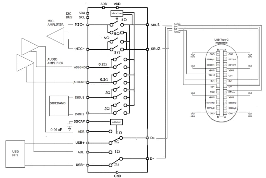
Diodes Incorporated PI3A6386 USB Switch is a dual, Single-Pole Double Throw (SPDT) switch for a high-speed USB signal and high-quality audio signal. This Diodes Incorporated switch can be used in USB Type-C™ D+/D- switching for USB signal in data mode and analog signal in audio accessory mode. The PI3A6386 switch features low distortion, high crosstalk rejection, autonomous microphone switching, and separate ground switches for the microphone and audio to minimize crosstalk and sideband switches. Typical applications include notebooks, PC, cell phones, PDAs, MP3 players, and portable instrumentation.Features
- High-bandwidth (1GHz) and low On-Resistance (5Ω) USB switches
- 1Ω low On-Resistance audio switches
- Supports USB high-speed (480Mbps) and full-speed (12Mbps) signaling capability per USB 2.0
- Supports USB Type-C audio accessory mode per USB Type-C cable and connector specification 1.1
- Low distortion (THD: -110dB from 20Hz to 20kHz, 2.0VRMS, 32Ω load)
- Negative signal ±3V handling capability
- Programmable soft-start and soft-stop time to eliminate click/pop sounds of DC-coupled audio signals
- -85dB @ 30kHz of high-off isolation
- -85dB @ 30kHz of high crosstalk rejection
- Autonomous microphone and ground lines switching
- Separate ground switches for microphone and audio to minimize crosstalk
- Sideband switches
- I2C control
- 1.7V to 5.5V wide VDD range
- ESD of 4kV for HBM mode, 1kV for CDM mode
- -40°C to 85°C extended industrial temperature range
- Totally lead-free and fully RoHS compliant
- Halogen and Antimony free
- TQFN-24 package (3mm x 3mm)
Applications
- Notebook
- PC
- Cell phones
- PDAs
- MP3 players
- Portable instrumentation
Application Overview
Block Diagram
Typical Application Circuit
Additional Resource
Publicerad: 2019-01-14
| Uppdaterad: 2023-07-11
