Analog Devices Inc. ADL8103-EVALZ Evaluation Board
Analog Devices Inc. ADL8103-EVALZ Evaluation Board is a user-friendly platform that evaluates the ADL8103 broadband, low-noise amplifier operating from 6GHz to 12GHz. The Analog Devices ADL8103-EVALZ board is optimized for performance testing and characterization, featuring a 2-layer printed circuit board with 50Ω RF input and output traces, SMA connectors for easy interfacing, and a robust layout that ensures minimal signal loss and distortion. The board includes biasing circuitry that allows for flexible supply voltage configurations, making it suitable for various RF applications. A compact design and straightforward setup make the evaluation board ideal for engineers and designers looking to integrate the ADL8103 into systems or assess its capabilities in lab environments.Features
- 4-layer Rogers 4350B and Isola 370HR evaluation board
- End launch, 2.92mm female RF connectors
- Through calibration path (depopulated)
- 50Ω RF input and output traces
- -55°C to +125°C operating temperature range
Applications
- Test instrumentation
- Military communications
- Radar
Required Equipment
- RF signal generator
- RF spectrum analyzer
- 20dB, 1W RF attenuator
- 20dB RF coupler (optional)
- RF power meter and power sensor (optional)
- RF network analyzer
- 5V, 300mA power supply
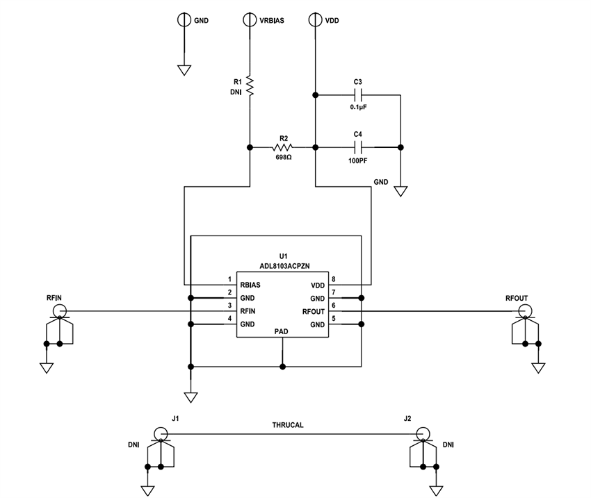
Schematic
Test Setup Diagrams
Resources
Publicerad: 2025-05-23
| Uppdaterad: 2025-05-28
