Swissbit M1100 embedded MultiMediaCards (eMMCs)
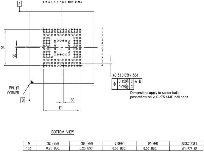
Swissbit M1100 embedded MultiMediaCards (eMMCs) are 8GB devices that are a compact and efficient solution for applications with low storage requirements. These eMMCs are designed as small-form-factor memory devices for data storage and boot media. The M1100 eMMCs are non-volatile storage consisting of a single chip MMC controller and a NAND flash memory chip inside a JEDEC-defined standard BGA package. These eMMCs are based on 2D MLC NAND base technology and communication is based on an advanced 11-signal bus. The communication protocol is defined as a part of the JEDEC eMMC standard and referred to as the eMMC mode. The M1100 eMMCs operate at -40°C to 85°C industrial and -40°C to 105°C automotive temperature ranges. These eMMCs are offered in a 153-ball BGA, 0.5mm pitch, and 11.5mm x 13mm dimensions. The M1100 eMMCs are optimized for a long life cycle that requires superior data retention as well as power fail safety. These eMMCs are ideal for industrial, POS/POI, PLC, IoT, charging stations, and medical applications.Features
- 8GB, compact and efficient solution for applications with low storage requirements
- Fully compliant with JEDEC eMMC 5.1 standard (JESD84-B51)
- 153-ball BGA, 0.5mm pitch, and 11.5 x 13mm dimensions
- 2D MLC NAND base technology
- Multiple MLC or enhanced/reliable mode partitions are user configurable according to the eMMC Spec 5.1
- High-performance eMMC 5.1 specification:
- Eleven-wire bus (clock, data strobe, 1-bit command, and 8-bit data bus) and a hardware reset
- Three different data bus width modes:
- 1-bit (default), 4-bit, and 8-bit
- 0MHz to 200MHz clock frequencies at high-speed mode HS400
- Command queue feature according to eMMC Spec 5.1
- Up to 230MB/s sequential read and up to 30MB/s sequential write
- Power supply:
- Low-power CMOS technology
- VCCQ 1.7V to 1.95V or 2.7V to 3.6V eMMC supply ranges
- VCC 2.7V to 3.6V NAND flash supply range
- Optimized FW algorithms:
- Power-fail data loss protection
- Wear leveling technology equals wear leveling of static and dynamic data
- Read disturb management
- Auto-read refresh
- Diagnostic features with device health report according to eMMC Spec 5.1
- Field firmware
- Discard, sanitize, and trim
- Boot operation mode and alternative boot operation mode
- Replay Protected Memory Block (RPMB)
- High reliability:
- Designed with sophisticated firmware architecture for industrial, automotive, and embedded markets
- Optimized for a long life cycle that requires superior data retention as well as power fail safety
- RoHS compliant
- AEC-Q100 qualified
Applications
- Industrial
- POS/POI
- Programmable Logic Controllers (PLCs)
- IoT
- Charging stations
- Medical
eMMC System Overview
Dimensions
Publicerad: 2025-06-05
| Uppdaterad: 2025-06-10
