Grayhill 67B Hall Effect Joysticks
Grayhill 67B Joystick is the smallest hall-effect joystick to offer momentary rotation. A center pushbutton and momentary clockwise/counterclockwise rotation gives equipment operators more control in one device. The 67B is a low-power device operating at 3mA max, with only 0.1mA max used in sleep mode. The series is designed for panel mount applications, with a behind-panel depth of just 16mm.Features
- Proportional output joystick, pushbutton, and momentary rotary select in one device
- Shaft and panel seal to IP67
- Rugged and compact with a 1.25" diameter
- Long operational life
- RoHS compliant
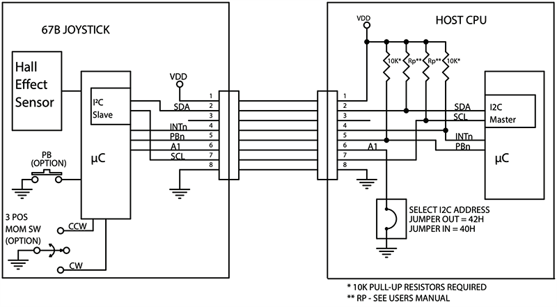
- I²C output (see User Manual)
Applications
- Medical imaging
- X-ray
- CT scanner
- MRI patient tables
- Military vehicles
- display navigation
- Handheld remote control devices
- Material handling equipment and crane operations
Block Diagram
Publicerad: 2014-08-14
| Uppdaterad: 2022-03-11
