Guerrilla RF GRF5617 Power Amplifier
Guerrilla RF GRF5617 Power Amplifier is a high-gain, two-stage InGaP Heterojunction Bipolar Transistor (HBT) amplifier designed to deliver excellent P1db, ACLR, and IM3 performance. This high linearity power amplifier includes a 50Ω single-ended input and output impedance and a digital shutdown function. The GRF5617 power amplifier features a 1710MHz to 1785MHz frequency range, +26.5dBm POUT with 45dBc ACLR, and 345mA native mode Quiescent current consumption. This amplifier is used in cellular boosters, picocells, automotive compensators, and customer-premise equipment.Features
- Excellent OP1dB, OIP3, ACLR and IM3 performance
- +26.5dBm linear output power maintained at 85°C
- Flexible biasing provides latitude for linearity optimization
- 50Ω single-ended input and output impedances
- 1710MHz to 1785MHz frequency range
- 345mA native mode Quiescent current consumption
- Digital shutdown
- 3V to 5.25V supply voltage range
- Rugged design is extremely resilient to mismatched loads
- -40°C to 85°C operating temperature range
- Compact 3mm x 3mm QFN-16 package
- RoHS compliant
- Moisture Sensitivity Level 1 (MSL 1)
Applications
- Cellular boosters
- Picocells/femtocells
- Automotive compensators
- Customer premise equipment
Standard Test Schematic
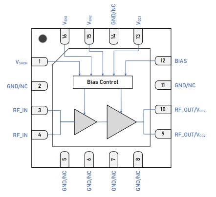
Block Diagram
Publicerad: 2024-03-28
| Uppdaterad: 2024-03-29
