Infineon Technologies EasyDUAL™ 1B IGBT Modules
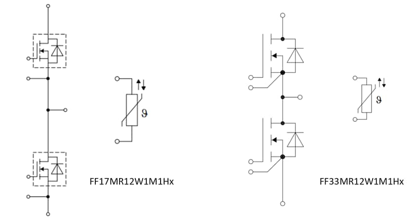
Infineon Technologies EasyDUAL™ 1B IGBT Modules with CoolSiC™ MOSFETs deliver very low stray inductance and outstanding efficiency enabling higher frequencies, increased power density, and reduced cooling requirements. The 1200V, 8mΩ half-bridge modules feature an integrated NTC temperature sensor and PressFIT contact technology. Thermal interface material is available on the xHP_B11 variants. These devices feature 0 to 5V and +15V to +18V recommended gate drive voltage ranges, maximum gate-source voltages of +23V or -10V, and 17mΩ or 33mΩ drain-source on resistance options. Integrated mounting clamps provide rugged mounting assurance.Features
- Best-in-class package, 62.8mm x 33.8mm x 12mm in dimension (LxWxH)
- Combination of leading-edge WBG material and Easy module packages
- Very low module stray inductance
- Wide RBSOA
- 1200V CoolSiC MOSFET with enhanced generation 1 trench technology
- Enlarged recommended gate drive voltage windows of 0 to 5V and +15V to +18V
- Extended maximum gate-source voltages of +23V and -10V
- 17mΩ or 33mΩ drain source on resistance options
- Tvjop under overload conditions up to +175°C
- PressFIT pins
- Integrated NTC temperature sensor
- Thermal interface material (xHP_B11 variants)
- Integrated mounting clamps
- Enables higher frequency to increase power density
- Outstanding module efficiency and a best cost-performance ratio enable reduced system costs
- System efficiency improvement for reduced cooling requirements
- RoHS compliant
Applications
- High-frequency switching applications
- DC/DC converters
- UPS systems
- DC chargers for EV (FF17MR12W1M1Hx variants)
- Motor drives (F33MR12W1M1Hx variants)
Diagrams
Application Notes
- AN2021-13: CoolSiC™ MOSFET M1H for Modules
- AN2018-09: Guidelines for CoolSiC™ MOSFET Gate Drive Voltage Window
- AN2009-01: Assembly Instructions for the Easy PressFIT Modules
- AN2017-04: Advanced Gate Drive Options for SiliconCarbide (SiC) MOSFETs using EiceDRIVER™
- AN2017-46: CoolSiC™ 1200 V SiC MOSFET
Publicerad: 2023-06-05
| Uppdaterad: 2023-06-12
