Infineon Technologies EasyPACK™ CoolSiC™ Trench MOSFET Modules

Infineon Technologies EasyPACK™ CoolSiC™ Trench MOSFET Modules feature PressFIT contact technology and an integrated Negative Temperature Coefficient (NTC) temperature sensor. These modules operate at a 1200V drain-source voltage, feature a low inductive design, low switching losses, and high current density. The EasyPACK™ modules offer rugged mounting due to integrated mounting clamps and are packaged with a CTI >600. Applications include high-frequency switching devices, DC/DC converters, and DC chargers for EVs. With the Easy 2C Series, Infineon enhances high-power designs using SiC G2 technology and advanced .XT features. The .XT technology provides enhanced ruggedness and extended operating temperatures, while the second-generation SiC MOSFET technology offers improved gate oxide reliability and reduced on-resistance.

With the Easy 2C Series, Infineon enhances high-power designs using SiC G2 technology and advanced features.XT features, delivering exceptional performance for demanding applications. The .XT technology provides enhanced ruggedness and extended operating temperature ranges, while the second-generation SiC MOSFET technology offers improved gate oxide reliability and reduced on-resistance.

Features

  • Second-generation SiC G2 MOSFET technology with improved gate oxide reliability
  • Easy 2C™ housing
  • Enhanced .XT technology for extended temperature operation and superior ruggedness
  • Ultra-low switching losses enabling high-frequency operation up to MHz range
  • 1200V VDSS rating with exceptional current handling capability
  • Advanced thermal interface with integrated NTC temperature sensor and optimized baseplate design
  • Low-inductance package design minimizing parasitic effects and EMI
  • PressFIT contact technology for reliable, solder-free connections
  • Integrated mounting clamps ensure robust mechanical assembly
  • CTI >600 package rating for enhanced creepage and clearance performance
  • High current pin configuration optimized for power applications
  • Wide Safe Operating Area (SOA) providing design flexibility and fault tolerance
  • Qualified to industrial standards per IEC 60747, 60749, and 60068 testing protocols

Applications

  • High-frequency switching devices
  • DC/DC converters
  • DC chargers for EVs

Videos

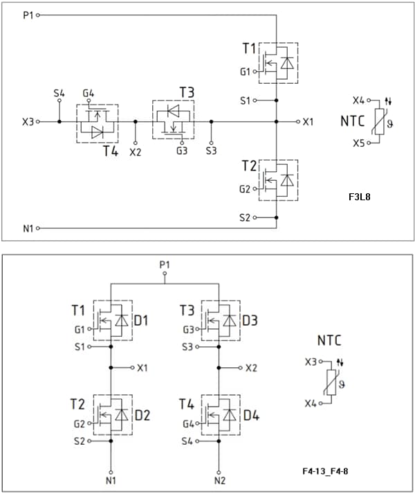
Circut Diagrams

Application Circuit Diagram - Infineon Technologies EasyPACK™ CoolSiC™ Trench MOSFET Modules
Publicerad: 2025-09-30 | Uppdaterad: 2026-02-17