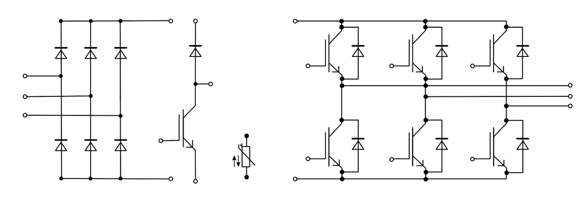
The Infineon EconoPIM 2 and 3 Modules each integrate a rectifier bridge, a brake chopper, and an inverter stage. The available configurations are the EconoPIM and EconoPACK series. The Econo housing includes a copper base plate for optimized heat spread and features a thermistor (NTC).
Econo modules are available with solderable pins or with PressFIT pins, with an increasing number of Econo modules available with pre-applied TIM. Specific Econo modules offer integrated shunts for accurate and cost-efficient current sensing.
The EconoPIM 2 and 3 Modules have the planar IGBT chip technology standard, allowing for low switching losses, saturation voltage, and high switching frequency. Additionally, the devices also offer the optimized IGBT4 in 650V/1200V/1700V.
Features
- Integrating a rectifier bridge, brake chopper, inverter stage and NTC in just one package to enable system cost savings
- Flexibility due to a customizable package (pin position and topology can be adapted to customer needs)
- Numerous topologies, voltages (600V-1700V) and currents (15A-150A) serve several application for platform strategies
- Power density Trenchstop™ IGBT4 technology with Tvjop = 150°C for higher power density compared to Trenchstop™ IGBT3 for compact inverter designs
- Pre-applied TIM allows increased output power compared to standard module + longer lifetime
- Established RoHS-compliant housing concept for high availability
- PressFIT for main as well as auxiliary terminals to reduce mounting effort
Applications
- Drives
- Aircon
- UPS
Videos
Overview
Topology

