Infineon Technologies TLD5098EP_B2B Evaluation Board
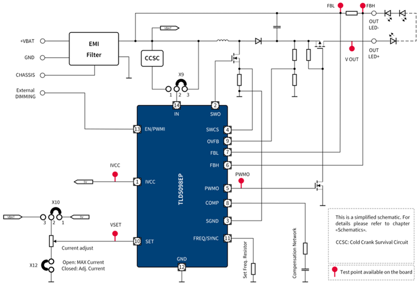
Infineon Technologies TLD5098EP_B2B Evaluation Board is an AEC-qualified evaluation board in a boost-to-battery topology designed as an LED driver. The board delivers up to 21W with efficiency above 85%. When enabled by jumpers, the board is equipped with an output current adjustment trimmer, power derating circuitry, and a Cold Crank Survival Circuit (CCSC).Features
- Output current adjustment trimmer
- Power derating circuitry
- Cold crank survival circuit
- Delivers up to 21W with efficiency above 85%
- 1A maximum output current
- 16V to 23V output voltage range
- 8V to 27V supply voltage range
- AEC-qualified
- RoHS compliant
Applications
- Daytime running lights
- High beams
- Low beams
- Full headlamps
Simplified Schematic
Default Configuration
Current Adjustment
Power Derating
Cold Crank Survival Circuit
Publicerad: 2025-01-31
| Uppdaterad: 2025-02-13
