Infineon Technologies TLD6099-2S-S_EVAL Evaluation Board
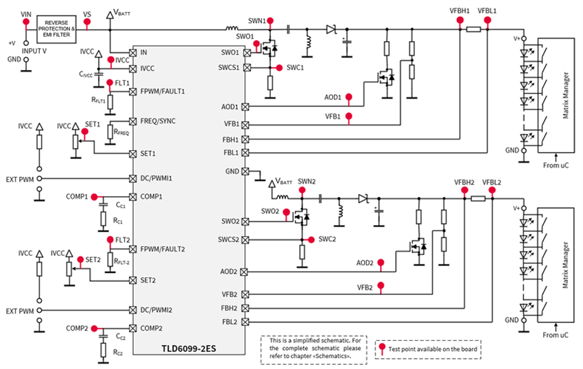
Infineon Technologies TLD6099-2S-S_EVAL Evaluation Board is a dual-channel Single-Ended Primary Inductor Converter (SEPIC) evaluation board designed to demonstrate the capabilities of the TLD6099-2S LED driver Integrated Circuit (IC) from the LITIX™ Power family. The TLD6099-2S-S_EVAL features two independent channels and can deliver up to 40W per channel. A special path is provided to discharge the output capacitors when an overcurrent is occurring during load transitions. This Infineon board is optimized for automotive lighting applications, particularly adaptive driving beam (ADB) systems, and supports high beam, low beam, daytime running lights, and position lights.Features
- Embedded TLD6099-2ES multi-topology LED driver with Adaptive Output Discharge (AOD), reduces the output current overshoot in case of fast load condition changes
- TLD6099-2ES diagnosis features
- Short-to-ground
- Overvoltage on VFB pin
- Overvoltage on FBH pin
- Overtemperature
- 2x independent channels in SEPIC topology
- Regulates a stable output current to an LED chain
- Total forward voltage can be lower, higher, or equal to the input voltage
- Integrated EMI filter and reverse polarity protection
- Diagnostics are always enabled to protect the load
- Output current overshoots are strongly limited from AOD functionality
- 500kHz frequency
- Wide 8V to 45V input supply voltage range
- 1A maximum output current on both channels
- Wide 3V to 40V output voltage range
- 40W output power per channel
- +40°C maximum ambient temperature
- Automotive qualified
- Easy to use
- No need for filtering
Applications
- ADBs
- High and low beams
- Daytime running lights
- Position lights
Block Diagram
Basic Configuration
Output Current Variation
Digital Dimming
Publicerad: 2025-09-26
| Uppdaterad: 2025-10-31
