Infineon Technologies TLE7x Low-Side Power Switches
Infineon Technologies TLE7x Low-Side Power Switches are 8-channel switches designed to control relays and LEDs in automotive and industrial applications. These switches feature a 16-bit serial peripheral interface for control and diagnosis, daisy chain capability, over-current latch OFF, thermal shutdown latch OFF, and overvoltage protection. The diagnostic features of TLE7x switches include over-load detection at ON state, open load detection at OFF state, output status monitor, and input status monitor. The TLE7x switches also offer loss of ground protection, loss of battery protection, and Electrostatic discharge (ESD) protection. These AEQ qualified and RoHS compliant switches belong to the SPIDER+ family of switches. These switches are ideal for driving relays, LEDs, motor, and automotive or industrial applications such as lighting, heating, motor driving, energy, and power distribution.Features
- 16-bit serial peripheral interface for control and diagnosis
- Daisy chain capability (SPI also compatible with 8-bit SPI devices)
- 2 CMOS-compatible parallel input pins with input mapping functionality
- Cranking capability down to VS = 3V (supports LV124)
- Digital supply voltage range compatible with 3.3V and 5V microcontrollers
- Very low quiescent current (with usage of IDLE pin)
- Limp home mode (with the usage of IDLE and IN pins)
- Green product (RoHS compliant)
- AEC qualified
- Protection features
- Short circuit to ground and battery protection
- Overload
- Over temperature
- Overvoltage protection
- Electrostatic Discharge (ESD) protection
- Diagnostic features
- Latched diagnostic information via SPI register
- Overload detection at the ON state
- Open load detection at OFF state using output status monitor function
Applications
- TLE75008
- Driving relays, LEDs, and motors
- Automotive or industrial applications:
- Lighting, heating, motor driving, energy, and power distribution
- TLE7240SL
- All types of resistive, inductive, and capacitive loads
- Driving relays in automotive applications
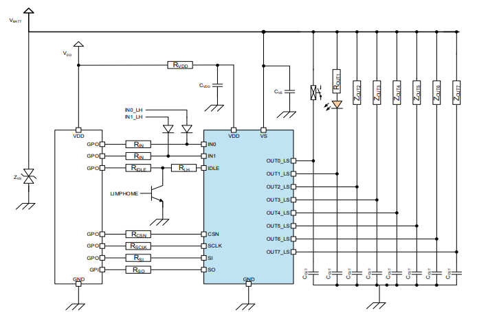
TLE75008-ESD Application Diagram
TLE75008-ESD Block Diagram
Additional Resources
Publicerad: 2020-09-01
| Uppdaterad: 2024-11-22
