Infineon Technologies TLE985x H-Bridge MOSFET Driver ICs
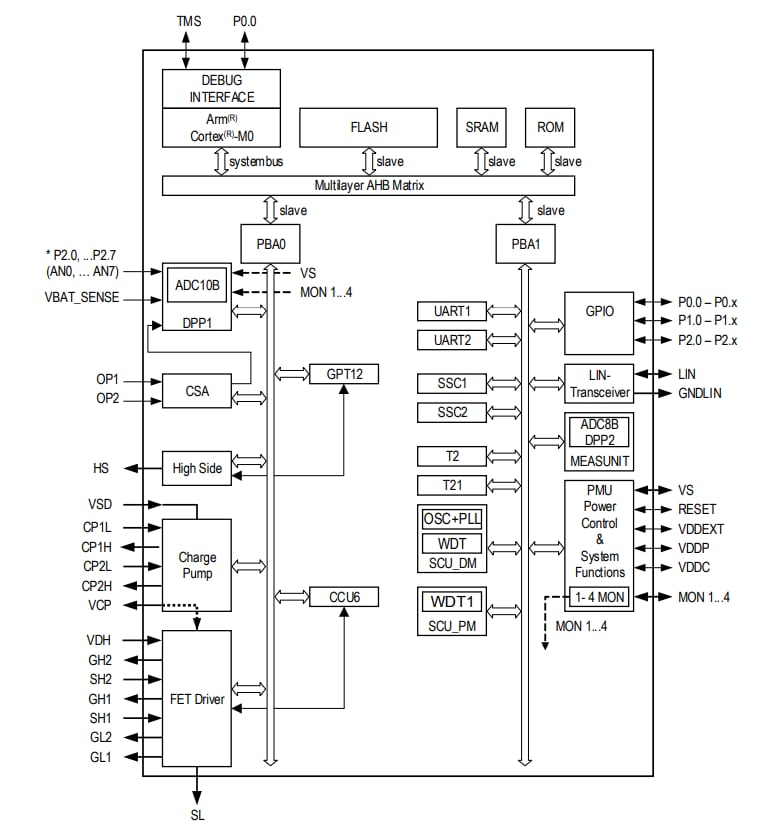
Infineon Technologies TLE985x H-Bridge MOSFET Driver ICs are single-chip 2-phase motor drivers that integrate an Arm® Cortex® M0 core with an NFET driver. These ICs feature four fully integrated NFET drivers, a charge pump enabling low voltage operation, and programmable current along with current slope control. The four fully integrated NFET drivers optimized to drive a 2-phase motor via four external power NFETs. The TLE985x ICs come in a leadless VQFN-48 package to save board space. These ICs supply external loads with the help of an on-chip linear voltage regulator.The TLE985x IC's peripheral set includes a successive approximation ADC synchronized with the capture and compare unit for PWM control, a current sensor, and 16-bit timers. These ICs also include an integrated LIN transceiver to enable communication to the device along with a number of general purpose I/Os. Typical applications include window lift, sunroof, electrical fan, electrical pumps, and LIN addressed motor control.
Features
- 32-bit Arm Cortex M0 core at up to 40MHz
- 5.5V to 28V single power supply
- 96KB FLASH
- Up to 4KB RAM
- 1x LIN transceiver
- 2x UART
- 2x SSC
- 2-phase bridge driver with charge pump and PWM generator
- 1x low-side shunt current sense amplifier
- 1x 10-bit ADC/12channel
- 1x 8-bit ADC/9channel
- 9x 16-bit timer
- 1x 24-bit timer
- -40°C to 150°C temperature range
- Ultra-compact application footprint with VQFN-48 packages
Applications
- Window lift
- Sunroof
- Electrical fan
- Electrical pump
- Single-phase pumps and fans
- LIN addressed motor control
Block Diagram
TLE985x H-Bridge MOSFET Driver IC Overview
Publicerad: 2019-04-04
| Uppdaterad: 2023-11-30
