Innovative Sensor Technology Ceracore USC30 Capacitive Ceramic Pressure Sensors
Innovative Sensor Technology Ceracore USC30 Capacitive Ceramic Pressure Sensors are dry capacitive ceramic sensors made with ultrapure (99.9%) Al2O3 ceramic. These sensors feature high overload resistance and good long-term stability. The USC30 pressure sensors support digital/ analog signal output, such as SPI, UART, and U. These pressure sensors measure ranges from 0 to 0.1bar (0 to 1.5psi) to 0 to 100bar (0 to 1500psi). The USC30 pressure sensors provide high corrosion resistance. The CARMEN ASIC is used in sensor applications to measure physical variables (e.g., pressure) with external capacitive or resistive sensors in industrial environments. These sensors are ideal for the pressure measurement of liquid and gaseous media.Features
- High overload resistance
- Very good long-term stability
- High corrosion resistance
- Digital/analog signal output (SPI, UART, and U)
- Small physical size
- Measuring ranges from 0 to 0.1bar (0 to 1.5psi) to 0 to 100bar (0 to 1500psi)
- Optional temperature output, switch output
Applications
- Environmental industry
- Laboratory and research
- Medical technology
- Energy industry
- Shipbuilding industry
- Construction industry
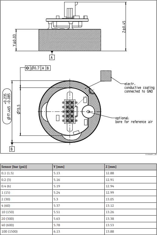
Dimension Diagram
Overview
Publicerad: 2025-07-29
| Uppdaterad: 2025-08-20
