Inventek Systems ISM14585-L35 Bluetooth® 5.0 SiP Module

Inventek Systems ISM14585-L35 System in Package Module is a small, low-power, and integrated BLUETOOTH® 5.0 solution. Inventek ISM14585-L35 platform is part of the FLEXiBLE product family. The ISM14585-L35 SiP supports data packet length extension, Link Layer Privacy v1.2, secure connections, BLUETOOTH Low Energy, and efficient connectable advertising.

The ISM14585-L35 SiP offers smarter, flexible, and lower power BLE connectivity with an integrated 32-bit Cortex™-M0 (16MHz), processor, an integrated PMU (Power Management Unit), an integrated PA (Power Amplifier), an integrated RTC, 128kB of ROM, 64KB OTP, and 1MB SPI Flash. The SiP has footprint compatible options for an additional integrated 4Mb, 8Mb, or 16Mb of Flash.

The ISM14585-L35 SiP is an embedded wireless Bluetooth Low Energy (BLE) IoT radio, based on the Dialog Semiconductor DA14585 radio SoC (System on Chip). The low cost, small footprint (6.0mm x 8.6mm x 1.2mm) LGA 35 pin package, and ease of design-in, make the ISM14585-L35 ideal for a wide range of embedded applications. The ISM14585-L35 is exceptional for applications such as remote controls, beacons, connected sensors, innovative medical devices, and smart home nodes.

Features

  • FLEXiBLE configuration options (Flash, PA, Clk, Antenna)
  • 2.4GHz Frequency band
  • Complies to the BLUETOOTH 5 core specification
  • 1.8V to 3.6V Low operating voltage
  • MSL level 3
  • Low system Bill of Materials
  • Power management
    • Integrated buck/boost DC-DC converter
    • P0, P1 and P2 ports with 3.3V tolerance
    • Easy decoupling of only 4 supply pins
    • Coin (typ. 3.0V) and Alkaline (typ. 1.5V) cells
    • 1.8V cold boot support
    • 10-bit ADC for battery voltage measurement
    • Integrated power amplifier
  • Digital controlled oscillators
    • 16MHz clock (±20ppm max) and RC oscillator
    • 32kHz clock (±50ppm, ±500ppm max) and RCX oscillator
    • Configuration option to remove the 32kHz clock
  • Processing power
    • 16MHz 32-bit Arm® Cortex-M0 with SWD interface
    • Dedicated link layer processor
    • AES-128 bit encryption processor
  • Supports up to 8 Bluetooth LE connections
  • Bluetooth low energy network standard
  • Long battery life
  • Integrated audio unit (AU)
    • Pulse-density modulation (PDM)
    • PDM interface connects to up to 2 input/output devices (MEMS, Mics)
    • Pulse code modulation (PCM) controller
    • 24-bit Sample rate converting unit (SRC)
    • Integrated DMA controller
  • Memory resources
    • Large memory to build complex applications
    • Integrated 64kB (OTP)
    • 96kB Data/Retention SRAM
    • 128kB ROM
    • 8Mb Flash as the standard configuration option
    • 4Mb or 16Mb Flash configuration option
  • LGA 35, 6.0mm x 8.6mm x 1.2mm package
  • Digital interfaces
    • 14 General purpose I/Os
    • 2 x UARTs with hardware flow control up to 1MBd
    • SPI+™ interface
    • I2C bus at 100kHz, 400kHz

Applications

  • Remote controls
  • Beacons
  • Connected sensors
  • Innovative medical devices

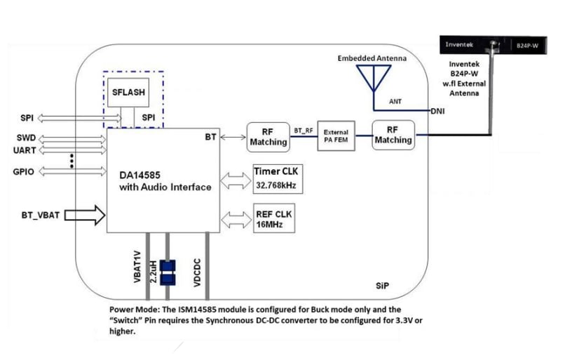
Radio Block Diagram

Block Diagram - Inventek Systems ISM14585-L35 Bluetooth® 5.0 SiP Module

There is no difference in the Module footprint between the internal and external antenna options.
Customer may use the same Module for either the internal or external antenna options.

Internal Antenna Configuration

Location Circuit - Inventek Systems ISM14585-L35 Bluetooth® 5.0 SiP Module

External Antenna Configuration

Location Circuit - Inventek Systems ISM14585-L35 Bluetooth® 5.0 SiP Module

Antenna Configuration Options

1. Integrated Antenna Pin 34 is connected to Pin 35
2. External w.fl Antenna Pin 34 is connected to a w.fl external antenna connector

View w.fl External Antenna

Publicerad: 2019-12-03 | Uppdaterad: 2023-04-21