Linear Integrated Systems LSBF510 N-Channel JFETs
Linear Integrated Systems LSBF510 N-Channel JFETs is a low-cost solution for N-Channel JFET applications. The Linear Integrated Systems LSBF510 features low leakage, noise, and cutoff voltage (VGS(off) ≤ 2.5V). The JFETs are ideal for battery-powered equipment and low-current amplifiers. With a high gain (AV= 80V/V), this JFET can be used with low-level power supplies, making it a versatile and reliable option.Features
- <2.5V low-cutoff voltage
- High-input impedance
- Low-noise operation
- AV = 80 @ 20µA high gain
- Reverse gate-to-source and drain voltage ≥ -30V
- Low cost
- Excellent power supply operation
- Power supply down to 2.5V
- Low-signal loss/system error
- High-system sensitivity
- High-quality low-level signal
Applications
- High-gain, low-noise amplifiers
- Battery-powered amplifiers
- Infrared detector amplifiers
- Ultra-high input impedance preamplifiers
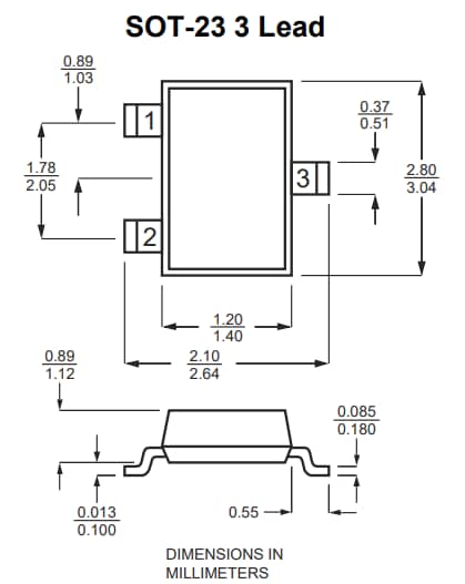
Package Dimensions
Publicerad: 2023-02-10
| Uppdaterad: 2023-02-24
