Littelfuse LS1205ExD33 Protection eFuse ICs
Littelfuse LS1205ExD33 Protection eFuse ICs feature a 2.7V to 18V input voltage range, programmable current limit, and output voltage clamp. These ICs use few external components and provide multiple protection modes, including robust defense against overload, short-circuit, input voltage surge, and excessive inrush current. The LS1205ExD33 ICs protect against input overvoltage events via internal clamp circuitry to a safe output voltage. Littelfuse LS1205ExD33 Protection eFuse ICs are ideally suited for networking, PCs, fan control, and HDD and SSD drives.Features
- External selectable input range and clamping output voltage threshold (LS1205EV)
- Open drain fault indicator FAULT\ (LS1205EF)
- Output discharging function
- External programmable soft-start time
- Short-circuit protection
- Enable control pin
- Thermal shutdown protection
- Auto recovery
- Integrated 25mΩ low RDS(ON) protection switch
Applications
- HDD and SSD drives
- Adapter-powered devices
- PC/Notebooks
- Fan control
- Networking
Specifications
- 2.7V to 18V input voltage range
- 1A to 5A external programmable current limit
- -40°C to +125°C junction temperature range
- 10-leads DFN 3mm x 3mm package
Videos
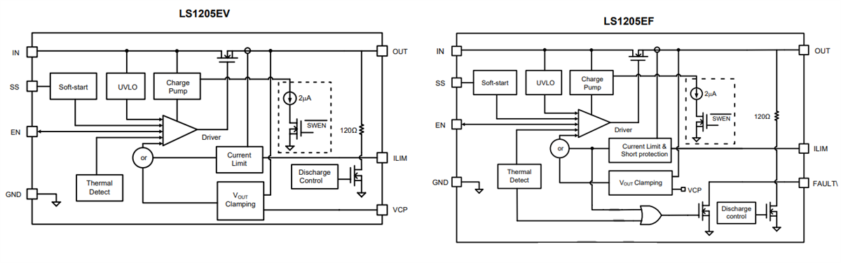
Functional Block Diagrams
Publicerad: 2022-07-18
| Uppdaterad: 2022-12-07
